+49 (0) 461 5808-2000
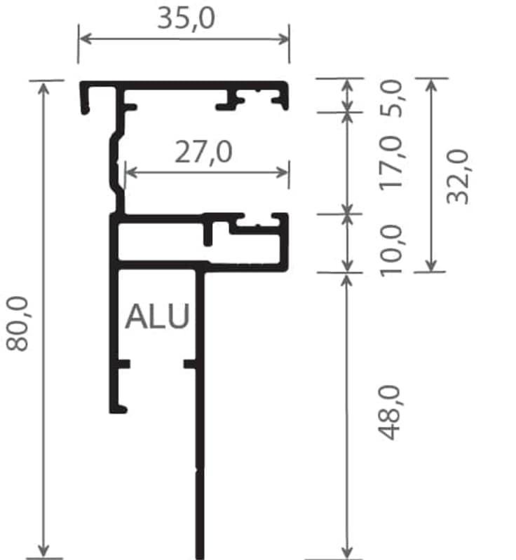
ALU Rollladenführung 80x35 mm Lg. 6,50 m foliert, GK Grau 316 7004-167 MOOREICHE [28]