BAKS Aluprofil Silber 40x40

Die hochwertige BAKS Unterkostruktion für PV-Anlagen bietet optimale Montagelösungen für nahezu jeden Dachtypen.

more details
Meesenburg Article Number:
Manufacturer item no.: 894663
EAN: 5900993225105
Verkaufseinheit

Product advantages

Stable support for PV modules
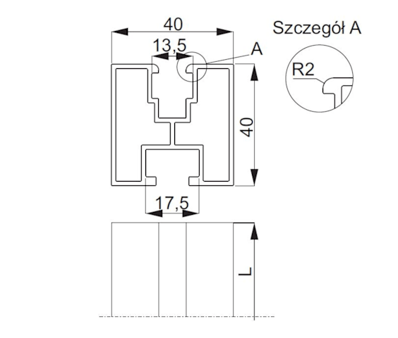
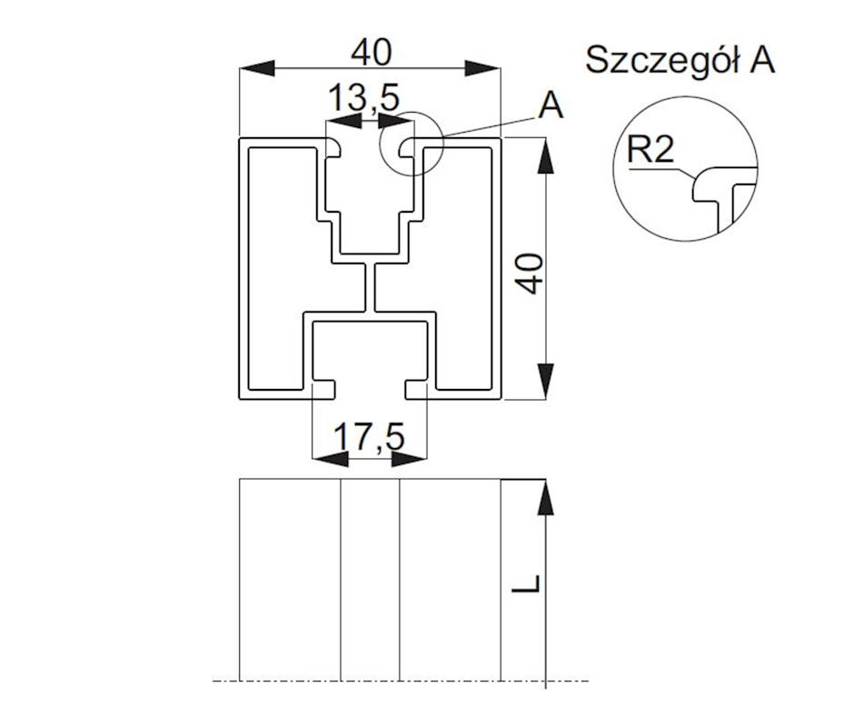
The width of the slots in the profile prevents the screws from twisting.
special profile cross-section for increased strength
Product properties
Product properties

Description

Die hochwertige BAKS Unterkostruktion für PV-Anlagen bietet optimale Montagelösungen für nahezu jeden Dachtypen.


Product properties
Length
6.3 m
technical data

Material: Aluminium (EN AW-6063)

chevron-leftAlertBrowse fileDownload fileFileImagePdfPdfWordTextExcelPowerpointArchiveCsvAudioVideoSpinnerCalendarSort NoneSort ASCSort DESCReturn arrowVisibleVisibleHelmetSkrewWorker