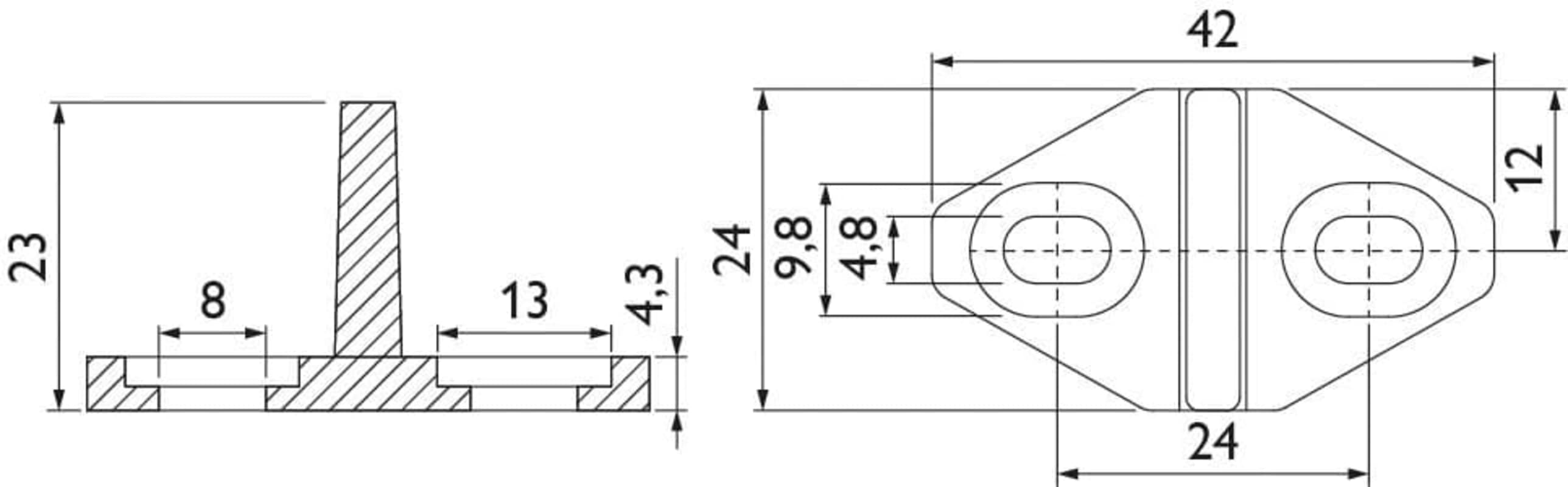
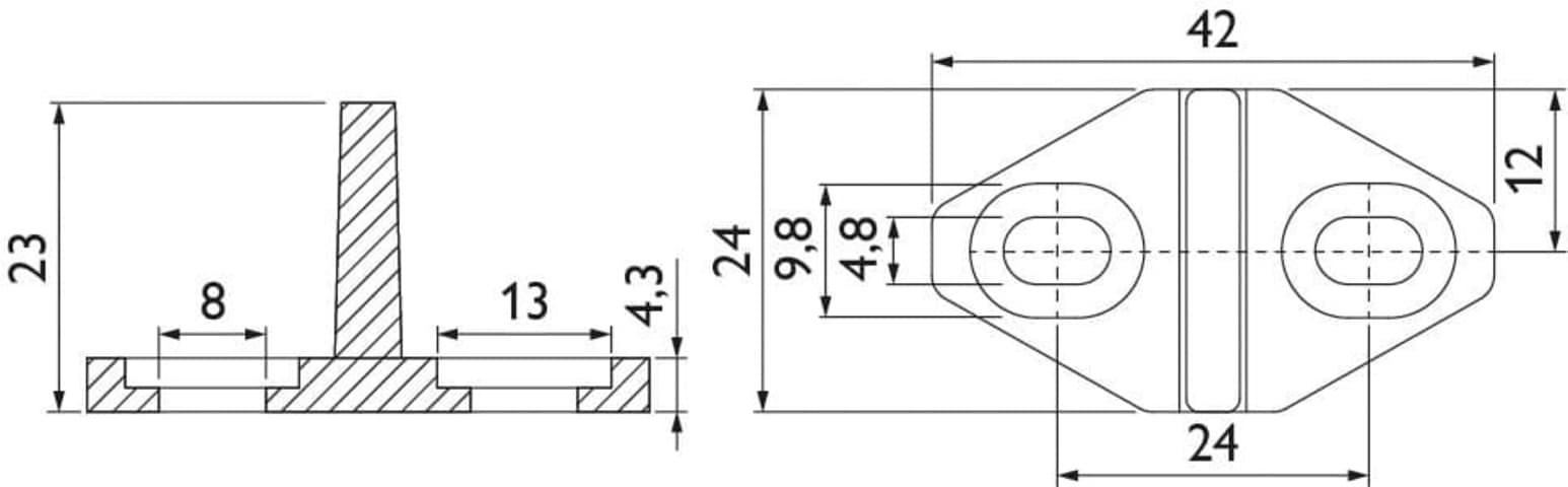
Bodenführung Kunststoff, für Holztür, Oberfl. 74 (Classic Black, ähnl. RAL 9005)
more details
plastic