+49 (0) 461 5808-2000
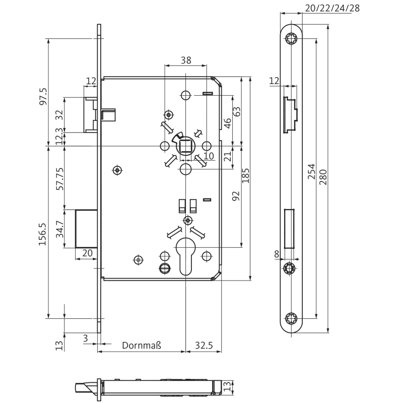
BKS Einsteckschloss B-00240; Produkttyp: Einsteckschloss; Produkttyp (Hersteller): Haustürschloss; Ausführung: mechanisch; Verriegelung: manuell; Entriegelung: manuell; Drückernuss: einteilig; Stulpfo