fischer Brass Anchor PA 4 M6/10.5, 058484

Der fischer Messingdübel PA 4 ist ein Spezialdübel für die Befestigung metrischer Schrauben in dünnen Plattenbaustoffen. Der Messingdübel wird in der Vorsteckmontage gesetzt. Beim Eindrehen der Schrau

more details
Meesenburg Article Number:
Manufacturer item no.: 058484
EAN: 4006209584842
Verkaufseinheit

Product advantages

The short brass dowel PA 4 requires only a very small anchoring depth and is therefore the solution for thin panel building materials.
The special surface structure of the PA 4 prevents it from rotating in the drill hole. This increases the assembly security.
The internal thread allows the use of commercially available metric screws and enables the perfect adaptation to the application.
Product properties
Product properties

Description

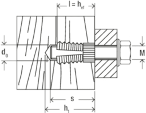
Der fischer Messingdübel PA 4 ist ein Spezialdübel für die Befestigung metrischer Schrauben in dünnen Plattenbaustoffen. Der Messingdübel wird in der Vorsteckmontage gesetzt. Beim Eindrehen der Schraube spreizt der Dübel auf und verankert sich im Baustoff. Der fischer Messingdübel PA 4 ist ideal, um Griffe, Haltewinkel oder Lampen in Holzplattenwerkstoffen, Kunststoffplatten, aber auch in Beton, Vollziegel und Kalksand-Vollstein zu befestigen.
Product properties
Anchorage base
Weight
201 g
Min. drill hole depth
10.5 mm
Brand
fischerwerke_gmbh_co_kg
technical data
Drilling diameter: 8 [mm] Dowel length: 10.5 [mm] Screw-in depth: 10.5 [mm] Design: without screw Packaging variant: folding box Thread: M6 Min. drilling depth: 10.5 [mm] Min. anchoring depth: 10.5 [mm]
chevron-leftAlertBrowse fileDownload fileFileImagePdfPdfWordTextExcelPowerpointArchiveCsvAudioVideoSpinnerCalendarSort NoneSort ASCSort DESCReturn arrowVisibleVisibleHelmetSkrewWorker