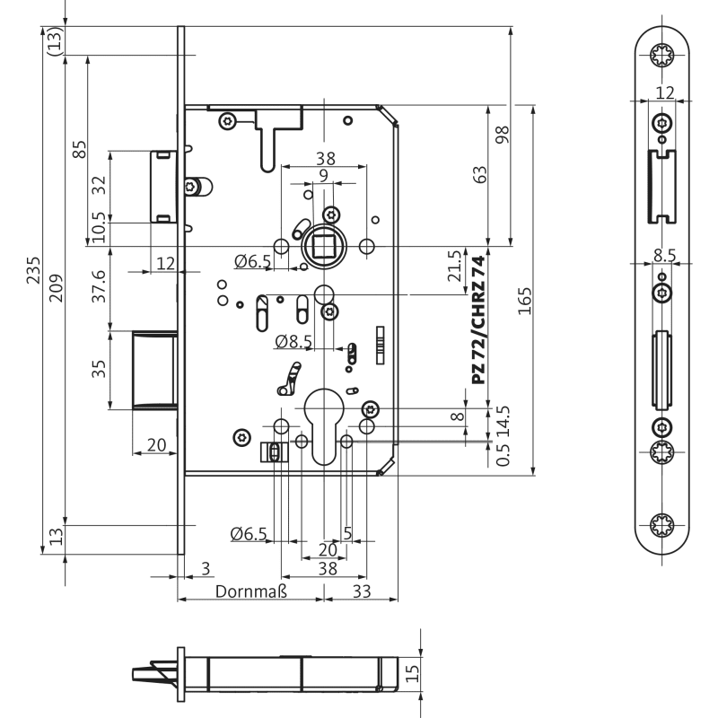
BKS PA-Einsteckschloss B-23260,PZW72/9,D100,F20x235rd,ER,PAF-E,DR ausw.,SÜOK

BKS Panik-Einsteckschloss B-23260; Produkttyp: Panik-Einsteckschloss; Produkttyp (Hersteller): Panikschloss; Ausführung: mechanisch; Verriegelung: manuell; Entriegelung: manuell; Drückernuss: einteili

more details
Meesenburg Article Number: 0009045069
Manufacturer item no.: B-23260-09-R-8
EAN: 4015540873676
Verkaufseinheit
x
Quantity:
=
measurement_units.standard.ST.name
Online availability
Location availability
Availability request and location information. Click & Collect is currently not available.
Prices only for Meesenburg customers
Product properties
Application properties
Product properties

Description

BKS Panik-Einsteckschloss B-23260; Produkttyp: Panik-Einsteckschloss; Produkttyp (Hersteller): Panikschloss; Ausführung: mechanisch; Verriegelung: manuell; Entriegelung: manuell; Drückernuss: einteilig; Stulpform: Flachstulp; Material Stulp: Edelstahl; Funktion Anti Panik: Wechselfunktion E; Schlosskasten: geschlossen; Schlosskastenhöhe: 165 mm; Schlosskastenstärke: 15 mm; Norm: DIN EN 1125,DIN EN 12209,DIN EN 179; Zulassung: für Feuerschutz,für Fluchttüren,für Rauchschutz; Türart: Vollblatt; Türflügelanzahl: einflügelig; Türwerkstoff: Holz,Stahl; Einsatzbereich: Gangflügel; Dornmaß: 100 mm; Hinterdornmaß: 33 mm; Drückernussvierkant: 9 mm; Entfernung: 72 mm; Lochung: Profilzylinder gelocht; DIN-Richtung: DIN Rechts; Öffnungsrichtung: nach außen öffnend; Stulpausführung: rund; Stulpbreite: 20 mm; Stulplänge: 235 mm; Stulpstärke: 3 mm; Farbton Stulp: edelstahl; Oberfläche Stulp: matt; Zusatzfunktion-/Ausstattung: Überwachungsfunktion; Schlossriegel: 1 tourig; Riegelausschluss: 20 mm; Einbautiefe Schlosskasten: 130 mm; Wechsel: mit Wechsel; Zusatzinformation: ohne Kabel
Product properties
Removal
72 mm
Direction
right
Perforation
profile cylinder
Panic function
E
Faceplate surface
matte
Square spindle follower
9 mm
Forend material
stainless steel
Backset
100 mm
Forend width
20 mm
Bolt exclusion (dimension)
20 mm
Backset
100 mm
Forend thickness
3 mm
Lock case width
130 mm
Installation depth
130 mm
Lock case height
165 mm
Lock case depth
165 mm
Application properties
Application properties

Manufacturer contact information

BKS GmbH
Heidestraße 71
42549 Velbert
Deutschland
Tel.: +4920512010
Fax: +492051201431
E-Mail: info@bks.de
chevron-leftAlertBrowse fileDownload fileFileImagePdfPdfWordTextExcelPowerpointArchiveCsvAudioVideoSpinnerCalendarSort NoneSort ASCSort DESCReturn arrowVisibleVisibleHelmetSkrewWorker