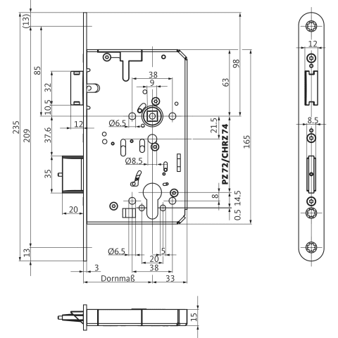
BKS PA-Einsteckschloss B-23250,PZ72/9,D60,F20x235rd,ER,PAF-D,DR

BKS Panikschloss B-2325, für zweiflügelige Türen Eigenschaften: • Für Schlösser der Art: Einsteckschloss • Anzahl Türflügel: 1-flügelig • Für Elemente aus: Holz-/Stahltüren • Funktion: Durchgangsfunk

more details
Meesenburg Article Number: 0009044565
Manufacturer item no.: B-23250-02-R-8
EAN: 4015540872860
Verkaufseinheit
x
Quantity:
=
measurement_units.standard.ST.name
Online availability
Location availability
Availability request and location information. Click & Collect is currently not available.
Prices only for Meesenburg customers
Product properties
Application properties
Product properties

Description

BKS Panikschloss B-2325, für zweiflügelige Türen Eigenschaften: • Für Schlösser der Art: Einsteckschloss • Anzahl Türflügel: 1-flügelig • Für Elemente aus: Holz-/Stahltüren • Funktion: Durchgangsfunktion D • Einsatzbereich: Notausgänge nach EN 179, Fluchttüren nach EN 1125, Feuer- und Rauchschutzabschlusstüren • Verriegelung: Manuelle Verriegelung • Öffnen von außen: Schlüssel und Drücker Funktionsbeschreibung: Durchgangsfunktion D - der Drücker auf der Außenseite wird durch einmalige Betätigung des Drückers auf der Innenseite dauerhaft eingeschaltet. Ein Verriegeln der Tür erfolgt immer erst beim Abschließen über den Schließzylinder. Die Öffnung der Tür ist grundsätzlich jederzeit in Fluchtrichtung möglich.
Product properties
Perforation
profile cylinder
Panic function
D
Backset
60 mm
Application properties
Application properties

Manufacturer contact information

BKS GmbH
Heidestraße 71
42549 Velbert
Deutschland
Tel.: +4920512010
Fax: +492051201431
E-Mail: info@bks.de
chevron-leftAlertBrowse fileDownload fileFileImagePdfPdfWordTextExcelPowerpointArchiveCsvAudioVideoSpinnerCalendarSort NoneSort ASCSort DESCReturn arrowVisibleVisibleHelmetSkrewWorker