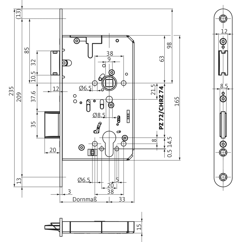
BKS PA-Einsteckschloss B-23260,PZW72/9,D80,F24x235rd,ER,PAF-E ausw.,GFF

BKS Panik-Einsteckschloss B-23260; Produkttyp: Panik-Einsteckschloss; Produkttyp (Hersteller): Panikschloss; Ausführung: mechanisch; Verriegelung: manuell; Entriegelung: manuell; Drückernuss: einteili

more details
Meesenburg Article Number: 0009045525
Manufacturer item no.: B-23260-48-L-8
EAN: 4015540874192
Verkaufseinheit
x
Quantity:
=
measurement_units.standard.ST.name
Online availability
Location availability
Availability request and location information. Click & Collect is currently not available.
Prices only for Meesenburg customers
Product properties
Application properties
Product properties

Description

BKS Panik-Einsteckschloss B-23260; Produkttyp: Panik-Einsteckschloss; Produkttyp (Hersteller): Panikschloss; Ausführung: mechanisch; Verriegelung: manuell; Entriegelung: manuell; Drückernuss: einteilig; Stulpform: Flachstulp; Material Stulp: Edelstahl; Funktion Anti Panik: Wechselfunktion E; Schlosskasten: geschlossen; Schlosskastenhöhe: 165 mm; Schlosskastenstärke: 15 mm; Norm: DIN EN 1125,DIN EN 12209,DIN EN 179; Zulassung: für Feuerschutz,für Fluchttüren,für Rauchschutz; Türart: Vollblatt; Türflügelanzahl: einflügelig; Türwerkstoff: Holz,Stahl; Einsatzbereich: Gangflügel; Dornmaß: 80 mm; Hinterdornmaß: 33 mm; Drückernussvierkant: 9 mm; Entfernung: 72 mm; Lochung: Profilzylinder gelocht; DIN-Richtung: DIN Links; Öffnungsrichtung: nach außen öffnend; Stulpausführung: rund; Stulpbreite: 24 mm; Stulplänge: 235 mm; Stulpstärke: 3 mm; Farbton Stulp: edelstahl; Oberfläche Stulp: matt; Zusatzfunktion-/Ausstattung: mit Fallenfeststellung; Schlossriegel: 1 tourig; Riegelausschluss: 20 mm; Einbautiefe Schlosskasten: 110 mm; Wechsel: mit Wechsel
Product properties
Removal
72 mm
Direction
left
Perforation
profile cylinder
Panic function
E
Forend shape
Flat faceplate
Faceplate surface
matte
Square spindle follower
9 mm
Forend material
stainless steel
Backset
80 mm
Forend width
24 mm
Bolt exclusion (dimension)
20 mm
Backset
80 mm
Forend thickness
3 mm
Lock case width
110 mm
Installation depth
110 mm
Lock case height
165 mm
Lock case depth
165 mm
Application properties
Application properties

Manufacturer contact information

BKS GmbH
Heidestraße 71
42549 Velbert
Deutschland
Tel.: +4920512010
Fax: +492051201431
E-Mail: info@bks.de
chevron-leftAlertBrowse fileDownload fileFileImagePdfPdfWordTextExcelPowerpointArchiveCsvAudioVideoSpinnerCalendarSort NoneSort ASCSort DESCReturn arrowVisibleVisibleHelmetSkrewWorker