ResiTHERM 12 2 St. galv.verz.

Abstandsmontagesystem ResiTHERM? • Die perfekte wärmebrückenfreie Lösung für die Montage von schweren Lasten an WDVS gedämmten Fassade • Geeignet für Beton, Porenbeton und Mauerwerk aus Loch- und V

more details
Meesenburg Article Number: 6610050552
Manufacturer item no.: 4250438935887
EAN: 4250438935887
Verkaufseinheit
x
Quantity:
=
measurement_units.standard.PAK.name
Online availability
Location availability
Availability request and location information. Click & Collect is currently not available.
Prices only for Meesenburg customers
Product properties
Product properties

Description

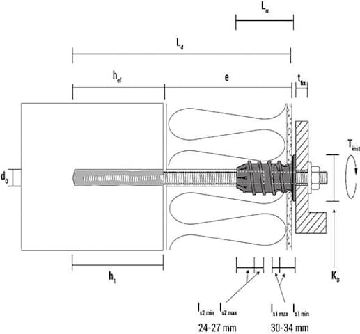
Abstandsmontagesystem ResiTHERM? • Die perfekte wärmebrückenfreie Lösung für die Montage von schweren Lasten an WDVS gedämmten Fassade • Geeignet für Beton, Porenbeton und Mauerwerk aus Loch- und Vollsteine • Vielfältige Anwendungen wie Markisen, Vordächer, franz. Balkone, Satellitenschüsseln, Klimageräte uvm • Hohe Anwendungsflexibilität: Ein Set für alle Dämmstoffarten und -dicken von 60–300 mm in Beton und 60–250 mm in Lochsteinen (ResiTHERM® 16), von 60–220 mm in Beton und 60–160 mm in Lochsteinen (ResiTHERM® 12 • Zeit- und Kostenersparnis durch die einfache und schnelle Montag • Zuverlässige, langlebige, ETA-geprüfte Befestigun • Thermisches Trennmodul eliminiert effektiv Wärmebrücken und schützt vor Schimmel und Wärmeverluste • Vormontierte, witterungsbeständige EPDM Dichtung gewährleistet sichere Abdichtung gegen Schlagregen bis zu Windstärke 11 (orkanartiger Sturm) und bis zu 3 mm Verschiebung, geprüft nach DIN EN 102 • Durch hochwertige Materialien wie glasfaserverstärktes Nylon und Edelstahl A4 kein Risiko durch Korrosio Inhalt Set 1 2 x ResiTHERM® 16, thermisches Trennmodul M16/M1 2 x Gewindestange M16 x 350, DIN 976, galvanisch verzinkt, Stahlqualität 8. 2 x Gewindestift M12 x 70, DIN 913, A 2 x Sechskant-Mutter M12, DIN 934, A 2 x Unterlegscheibe für M12, DIN 125, A 1 x Innensechskant-Bit, Größe 1 x Mischdüsenverlängerung 245 m 2 x Kunststoff-Siebhülse SH 20 x 130 m 1 x Montageanleitung ResiTHERM® 1 Inhalt Set 2 20 x ResiTHERM® 16, thermisches Trennmodul M16/M1 20 x Gewindestange M16 x 350, DIN 976, galvanisch verzinkt, Stahlqualität 8. 20 x Gewindestift M12 x 70, DIN 913, A 20 x Sechskant-Mutter M12, DIN 934, A 20 x Unterlegscheibe für M12, DIN 125, A 1 x Innensechskant-Bit, Größe 8 x Mischdüsenverlängerung 245 m 20 x Kunststoff-Siebhülse SH 20 x 130 m 4 x Montageanleitung ResiTHERM® 1 Inhalt Set 3 2 x ResiTHERM® 12, thermisches Trennmodul M12 / M1 2 x Gewindestange M12 x 260, DIN 976, galvanisch verzinkt, Stahlqualität 8. 2 x Gewindestift M12 x 70, DIN 913, A 2 x Sechskant-Mutter M12, DIN 934, A 2 x Unterlegscheibe für M12, DIN 125, A 1 x Innensechskant-Bit, Größe 1 x Mischdüsenverlängerung 245 m 2 x Kunststoff-Siebhülse SH 20 x 130 m 1 x Montageanleitung ResiTHERM® 1 Inhalt Set 4 20 x ResiTHERM® 12, thermisches Trennmodul M12 / M1 20 x Gewindestange M12 x 260, DIN 976, galvanisch verzinkt, Stahlqualität 8. 20 x Gewindestift M12 x 70, DIN 913, A 20 x Sechskant-Mutter M12, DIN 934, A 20 x Unterlegscheibe für M12, DIN 125, A 1 x Innensechskant-Bit, Größe 8 x Mischdüsenverlängerung 245 m 20 x Kunststoff-Siebhülse SH 20 x 130 m 4 x Montageanleitung ResiTHERM® 1 Dämmstoffdicke [mm]: Beton: 60–220 Vollstein, Porenbeton: 60–190 Lochstein: 60–16 Setinhalt: 2 x ResiTHERM® 12, thermisches Trennmodul M12 / M1 2 x Gewindestange M12 x 260, DIN 976, galvanisch verzinkt, Stahlqualität 8. 2 x Gewindestift M12 x 70, DIN 913, A 2 x Sechskant-Mutter M12, DIN 934, A 2 x Unterlegscheibe für M12, DIN 125, A 1 x Innensechskant-Bit, Größe 1 x Mischdüsenverlängerung 245 m 2 x Kunststoff-Siebhülse SH 20 x 130 m 1 x Montageanleitung ResiTHERM® 12
Product properties
Brand
celo_befestigungssysteme_gmbh

Manufacturer contact information

CELO Befestigungssysteme GmbH
Industriestraße 6
D-86551 Aichach

Telefon: +49 (0) 8251 90 485 0
Telefax: +49 (0) 8251 90 485 49
info@celofixings.de
chevron-leftAlertBrowse fileDownload fileFileImagePdfPdfWordTextExcelPowerpointArchiveCsvAudioVideoSpinnerCalendarSort NoneSort ASCSort DESCReturn arrowVisibleVisibleHelmetSkrewWorker