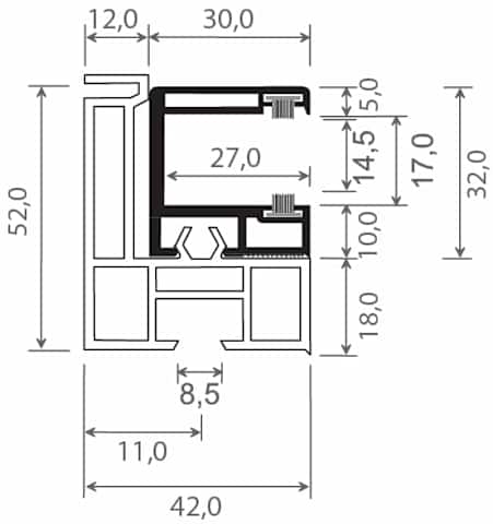
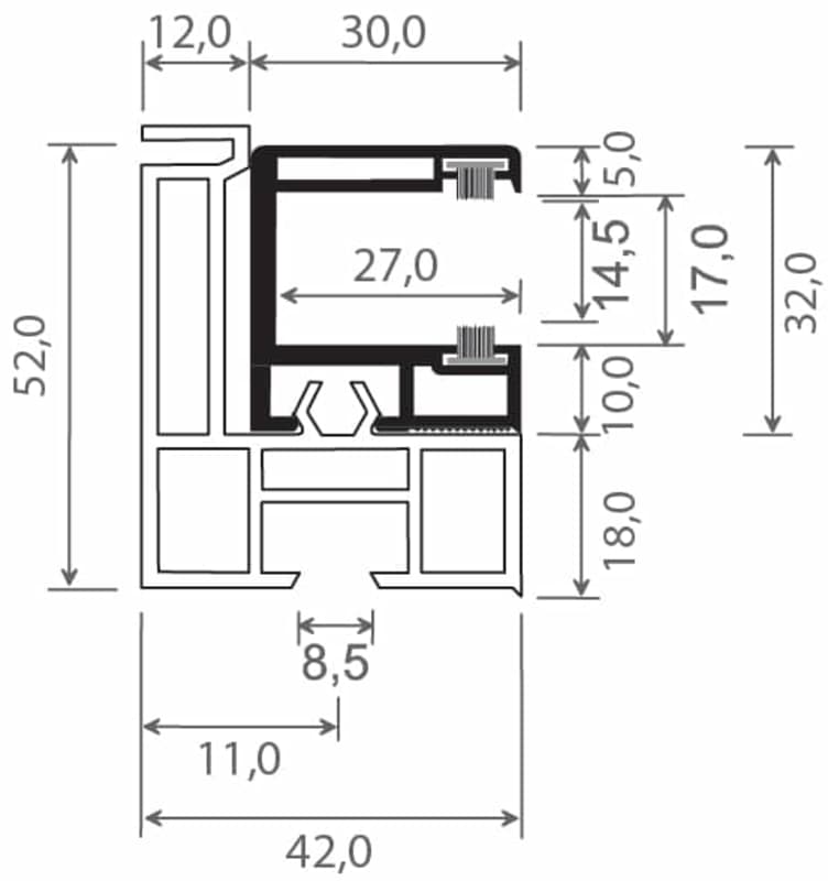
Adapterprofil 52x42 mm Lg. 6,00 m foliert, Revision außen & Rollladenführung 32x30 mm Lg. 6,00 m GK Braun, mit zwei schwarzen Bürsten 209 7013-167 MAHAGONI [9]
mehr erfahren
Kunststoff