+ 200.000 Produkte
starke Eigenmarken
fachliche Beratung
für Profis
+49 (0) 461 5808-2000
Sortiment
Aktionen %
Marken & Kataloge
Service
Topseller
Standorte
Karriere
Nachhaltigkeit
Anmelden
Warenkorb
Türtechnik & Tortechnik
Automatische Schiebetürbeschläge
Tür & Tor Beleuchtung
Türschwelle & Torschwelle
Tür Briefkästen & Klingeln
Drehtürantriebe & Zubehör
Elektrischer Türöffner
Fluchttürsysteme und Rettungswegtechnik
Profilzylinder & Schließzylinder
Schlosstechnik
Sichtbeschläge für Türen
Türbänder
Türdichtung
Türschließer
Unterbauprofile & Rahmenverbreiterung für Türen
Bauelemente aus Holz für Tür- und Torherstellung
Bauelemente aus Stahl für Türen und Tore
Produktionszubehör
Bohrer, Bits
Hohlkammerverschluss
Klebebänder
Klebeband für Türfüllungen
Kleber
Leim
Industriereiniger
Schrauben
Schweißeckverbinder
Technische Sprays & Pflegemittel
Verglasung
Vorlegeband
Fenster
Fenster Absturzsicherung
Fensterbeschläge
Bodenschwellen für Fenster
Fensterautomation
Fensterdichtung
Fenstergriffe
Fensterlüfter & Lüftungslösungen
Oberlichtsysteme
Fensterzusatzprofil
Regenschutzschienen & Zubehör
Unterbauprofile
Werkzeug & Arbeitsmittel
Arbeitsplatzausstattung
Arbeitsschutz & Berufsbekleidung
Werkzeuge und Ausstattungen für Außenanlagen
Befestigungstechnik & Verbindungstechnik
Büroausstattung
Elektrowerkzeuge
Handwerkzeuge
Lagerausstattung & Logistiksysteme
Montagetechnik ,Befestigungstechnik und Materialbearbeitung
Schleifmittel & Oberflächenbearbeitung
Schweißtechnik und Löttechnik: Geräte & Zubehör
Steigtechnik:Arbeitsplattformen, Leitern & Höhenzugang
Möbel
Ausstattungen für Bäder & Hauswirtschaftsräume
Auszugsführungen
Büromöbeltechnik: Schließsysteme & Schreibtischcontainer
Büromöbeltechnik: Auszüge, Schließsysteme & Zubehör
Büroausstattung: Schallschutzelemente & Schallschutzelemente
Elektronische Schließsysteme
Klappenbeschläge
Küchenschrankaustattung: Auszüge , Beschläge & Abfallsysteme
LED-Lichttechnik für Möbel
Mechanische Möbelschließsysteme
Profile & Zubehör für Regale, Vitrinen und Tresen aus Aluminium
Möbelscharniere & Möbelbänder
Möbelunterbausysteme
Regalsysteme für Raumausstattung
Schiebe- & Falttürsysteme
Schrankinnenausstattung
Schubkastensysteme
Spülen, Becken & Armaturen
Kabelmanagement & Stromlösungen für Möbeltechnik
Verarbeitungstechnik :Bohr- und Montagesysteme
Möbel Verbindungstechnik
Möbel Zierbeschläge
Zuhaltetechnik
Oberfläche
Beschichtung Außen 1 K Lacke
Beschichtung Außen 2 K Lacke
Beschichtung Innen 1 K Lacke
Beschichtung Innen 2 K Lacke
Holzbeizen
Lasuren
Pflegeöle & Wachse für Holzoberflächen
Parkettsysteme & Fußbodensysteme
Speziallacke
Reinigungs- & Verdünnungsmittel für Oberflächentechnik
Zusatz-, Vorbehandlungs- & Reparaturprodukte
Sicherheit
Alarmtechnik
Fensterzubehör für Sicherheit & Schutz
Türsicherheit & Sicherheitsbeschläge
Smarthome-Sicherheitslösungen für Fenster & Türen
sonstige Sicherheitssysteme & Zubehör
Tresor & Schlüsselschränke
Videotechnik für Sicherheitslösungen
Schließanlagen - Intelligente Lösungen für Ihre Sicherheit
Montage
Folien, Bänder & Dichtlösungen
Befestigung für Bauelemente
Dämmprodukte für Fenster & Wand
Fensterbänke
Montagekleber: PU, MS-Polymer & Epoxid
Reinigungsprodukte für Montage & Bauelemente
Bau- & Montagebefestigungen
Montagezubehör & Bearbeitungsgeräte
Dachbau & Holzbau Zubehör
Erneuerbare Energien
Photovoltaik Solarmodule & Zubehör
Wärmepumpen & Zubehör für Erneuerbare Energien
Barcode scannen
Bild hochladen
Scannen beenden
Neuer Scan / Upload
Startseite
Möbel
Möbel Zierbeschläge
Zurück zu Möbel
Möbel Zierbeschläge
Garderobenhaken
Griffleisten
Griffmuscheln
Möbelgriffe
Möbelknöpfe
Gitter
Liste
Filter & Sortierung
Gitter
Liste
Kategorien
Zurück zu Möbel
Möbel Zierbeschläge
Garderobenhaken
931
Griffleisten
189
Griffmuscheln
39
Möbelgriffe
1555
Möbelknöpfe
362
Filter
Marke
Blum
1
BMB
1
CONFURN
1
dline
78
FORMAT
368
G. Kirchner
1
Giesse
5
Grimme Handelsges.m.b.H
2
Hanse-Handel
1
Hephata Drechslerei Gombert
4
Hermann Lohmann
2
Hermeta
23
Hettich
918
HEWI
1545
HSI
6
JuNie
1
Normbau
7
Schröder
1
SCHWINN
1
Siro
287
STROXX
9
TÜTEMANN
2
Valli & Valli
1
Vauth-Sagel
2
Wilesco
1
Produkttyp
Abdeckkappe
26
Abdeckknopf
3
Ausgleichsfußscheibe
1
Außenecke
6
Befestigung
8
Befestigungsschraube
1
Befestigungssockel
4
Befestigungswinkel
3
Bügelgriff
117
Dekorelemente
6
Distanzhülse
3
Drehgriff
2
Endkappe
7
Faltschiebetüradapter
2
Flurgarderobenhaken
4
Garderobenhaken
797
Gegenscheibe
9
Gehrungsgriff
20
Griff
332
Griffleiste
134
Haken
87
Hakenleiste
2
Handgriff
5
Innenecke
6
Kleiderhaken
3
Knopf
97
Längsreling
2
Mantelhaken
8
Montagezubehör
8
Muschelgriff
36
Möbelbeschlag
1
Möbelgriff
263
Möbel Knopf
2
Möbelknopf
181
Möbelschlag
1
Rundbogengriff
1
Schrankknopf
2
Schubladengriff
2
Segmentbogengriff
52
Stangengriff
118
Stoßgriff
6
Unterlegscheibe
1
Wandprofil
1
Ziehgriff
68
Produktlinie
477
41
548
19
552
2
557
9
801
12
ADD
2
FAT
24
HD 109
1
HD 110
1
HD 111
1
HK 001
1
Segmentbogen
1
T-Form
1
U-Form
1
U-Form auf Gehrung
1
zylindrisch
1
Basisfarbe
blau
8
braun
18
gelb
1
grau
44
grün
2
messing
6
orange
6
rot
1
schwarz
196
silber
403
weiß
44
Herstellerfarbe
18 HEWI Senfgelb
82
24 HEWI Orange
28
33 HEWI Rubinrot
92
36 HEWI Koralle
24
50 HEWI Stahlblau
84
55 HEWI Aquablau
29
72 HEWI Maigrün
25
74 HEWI Apfelgrün
30
84 HEWI Umbra
26
86 HEWI Sand Neu
27
90 HEWI Tiefschwarz
177
92 HEWI Anthrazitgrau
113
95 HEWI Felsgrau
108
97 HEWI Lichtgrau
108
98 HEWI Signalweiß
111
99 HEWI Reinweiß
180
aluminiumoptik
6
Anthrazit
4
braun
4
charcoal
14
DC HEWI Schwarz tiefmatt
12
dunkelbraun
4
DX HEWI Weiß tiefmatt
8
Edelstahl
148
edelstahloptik
170
eisengrau
1
electric blue
8
grau
6
grau/dunkelgrau
3
hellbraun
4
kupfer(farbig)
6
Messing
6
RAL 9005 tiefschwarz
6
SC HEWI Dunkelgrau Perlglimmer tiefmatt
6
schwarz
128
silberfarbig
51
silberfarbig eloxiert
14
vernickelt
4
weiß
9
Durchmesser
8 mm
15
9 mm
1
10 mm
67
12 mm
59
14 mm
18
15 mm
1
16 mm
3
18 mm
4
19 mm
1
20 mm
2
22 mm
1
24 mm
1
25 mm
4
30 mm
10
31 mm
1
33 mm
1
35 mm
3
40 mm
2
41 mm
4
57 mm
2
60 mm
2
65 mm
1
70 mm
2
92 mm
4
Länge
10 mm
1
12 mm
1
25 mm
2
30 mm
1
38 mm
3
40 mm
1
42 mm
1
45 mm
1
49 mm
1
50 mm
5
52 mm
2
56 mm
1
57 mm
3
60 mm
4
65 mm
1
70 mm
1
71 mm
2
72 mm
4
74 mm
4
75 mm
1
76 mm
1
79 mm
2
84 mm
2
88 mm
1
90 mm
2
93 mm
1
94 mm
2
102 mm
2
103 mm
2
104 mm
6
105 mm
2
106 mm
7
107 mm
1
108 mm
5
109 mm
2
110 mm
1
111 mm
3
112 mm
5
114 mm
1
115 mm
1
116 mm
3
118 mm
3
120 mm
2
126 mm
3
130 mm
2
134 mm
2
135 mm
2
136 mm
4
138 mm
16
139 mm
1
140 mm
7
143 mm
5
144 mm
4
146 mm
1
147 mm
2
148 mm
6
149 mm
3
150 mm
4
151 mm
6
152 mm
2
156 mm
3
157 mm
3
158 mm
4
160 mm
3
163 mm
2
165 mm
2
166 mm
2
167 mm
3
168 mm
8
170 mm
11
171 mm
2
172 mm
5
173 mm
2
175 mm
2
176 mm
2
180 mm
5
181 mm
7
182 mm
1
184 mm
6
188 mm
5
189 mm
2
190 mm
3
192 mm
2
195 mm
2
199 mm
3
200 mm
3
201 mm
2
202 mm
10
203 mm
1
204 mm
11
205 mm
3
207 mm
3
208 mm
3
210 mm
2
214 mm
1
216 mm
2
220 mm
6
221 mm
3
222 mm
1
223 mm
1
224 mm
1
227 mm
2
232 mm
1
234 mm
3
236 mm
3
237 mm
2
239 mm
3
240 mm
3
244 mm
2
245 mm
1
248 mm
1
252 mm
6
256 mm
1
258 mm
3
259 mm
1
260 mm
1
262 mm
2
263 mm
2
264 mm
1
266 mm
1
267 mm
1
268 mm
1
269 mm
2
271 mm
1
272 mm
2
275 mm
1
280 mm
1
284 mm
5
294 mm
1
295 mm
7
297 mm
1
298 mm
5
300 mm
2
301 mm
3
309 mm
1
316 mm
3
322 mm
1
327 mm
2
330 mm
3
332 mm
5
333 mm
2
335 mm
1
336 mm
1
344 mm
2
345 mm
4
348 mm
6
350 mm
1
362 mm
5
364 mm
3
368 mm
2
372 mm
1
373 mm
1
380 mm
4
392 mm
1
394 mm
2
395 mm
5
396 mm
1
400 mm
1
412 mm
4
428 mm
2
432 mm
2
437 mm
1
444 mm
4
445 mm
5
458 mm
1
460 mm
1
464 mm
1
472 mm
1
476 mm
1
490 mm
2
492 mm
2
494 mm
2
495 mm
5
496 mm
1
508 mm
3
524 mm
2
528 mm
1
540 mm
5
544 mm
1
556 mm
1
560 mm
1
595 mm
5
600 mm
1
618 mm
1
644 mm
1
650 mm
1
652 mm
1
682 mm
1
700 mm
3
716 mm
1
744 mm
1
746 mm
1
748 mm
2
795 mm
5
796 mm
2
800 mm
2
844 mm
3
895 mm
5
967 mm
2
995 mm
4
1000 mm
1
1020 mm
2
1140 mm
2
1195 mm
4
1200 mm
2
1300 mm
2
1340 mm
2
1500 mm
1
2000 mm
2
2400 mm
2
3500 mm
6
Breite
7 mm
6
8 mm
10
9 mm
10
10 mm
38
11 mm
12
12 mm
53
12.5 mm
7
13 mm
3
13.5 mm
1
14 mm
15
15 mm
9
16 mm
56
17 mm
1
18 mm
6
19 mm
3
20 mm
10
21 mm
2
22 mm
1
23 mm
10
24 mm
3
25 mm
32
26 mm
15
27 mm
3
28 mm
4
29 mm
1
30 mm
5
32 mm
1
34 mm
4
35 mm
2
35.5 mm
3
36 mm
9
37 mm
5
39 mm
10
40 mm
2
41 mm
1
42 mm
5
45 mm
20
46 mm
4
50 mm
1
60 mm
3
65 mm
1
76 mm
1
151.5 mm
2
275 mm
1
Höhe
0.5 mm
1
3 mm
14
4 mm
1
5 mm
2
5.2 mm
3
9.5 mm
10
10 mm
27
11 mm
4
12 mm
4
14 mm
3
15 mm
4
16 mm
9
17 mm
2
17.5 mm
8
18 mm
7
19 mm
2
19.5 mm
1
20 mm
5
20.5 mm
10
21 mm
5
22 mm
4
23 mm
5
24 mm
6
25 mm
33
26 mm
34
27 mm
19
28 mm
16
28.7 mm
2
29 mm
9
30 mm
53
31 mm
6
32 mm
98
33 mm
5
34 mm
9
35 mm
95
36 mm
34
37 mm
3
38 mm
4
40 mm
15
41 mm
3
44.5 mm
3
45 mm
5
52 mm
1
53.5 mm
7
64 mm
1
70 mm
7
Stärke
3 mm
20
Material
Aluminium
205
Edelstahl
9
Edelstahl rostfrei
196
Holz
1
Kunststoff
30
Leder
13
Messing
6
Metall
4
Multilayer
4
Nylon
5
Stahl
70
Zink
172
Zinkdruckguss
2
Befestigungsart
zur Verschraubung von der Rückseite
476
Anschlagseite
links
11
links oder rechts
6
rechts
11
Oberfläche
eloxiert
15
gebürstet
283
hochglänzend
833
kunststoffbeschichtet
1
matt
428
matt geschliffen
10
matt verchromt gebürstet
3
poliert
4
pulverbeschichtet
27
satiniert
16
verchromt
6
vernickelt
1
Oberflächenschutz
eloxiert
49
pulverbeschichtet
2
PVD-beschichtet
20
unbehandelt
1
unbeschichtet
2
verchromt
41
vernickelt
28
verzinkt
1
Anwenden
3269 Produkte gefunden. Nutzen Sie gerne die Filter!
Sortieren nach:
Nach Relevanz sortieren
Nach Name aufsteigend sortieren
Nach Name absteigend sortieren
Filter & Sortierung
STROXX Möbelgriff T-Form Relinggriff aus mattiertem Edelstahl ergonomisch langlebig
T-Form
11 Ausführungen
11 Ausführungen
STROXX Möbelgriff U-Form Edelstahl – langlebiger Griff für Schränke und Schubladen
U-Form
4 Ausführungen
4 Ausführungen
STROXX Segmentbogengriff FH102, Möbelgriff Edelstahl matt, mit Montagematerial, modern und robust
Segmentbogen
4 Ausführungen
4 Ausführungen
STROXX Möbelgriff FH104 U-Form matt Edelstahl inkl. Montageschrauben
U-Form auf Gehrung
4 Ausführungen
4 Ausführungen
STROXX Möbelknopf zylindrisch Mulde mattierter Edelstahl robust langlebig
zylindrisch
4 Ausführungen
4 Ausführungen
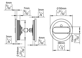
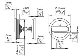
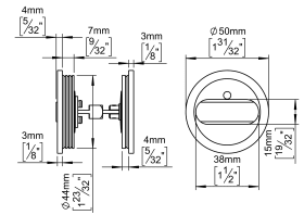
Hewi Wandprofil mit Kappen, L:650 mm, Querschnitt 25 x 25 mm
3 Ausführungen
3 Ausführungen
Kein Bild vorhanden
SCHRANKKNOPF Ø10X17,5 M5 POLIERT (16381601017)
1 Ausführungen
1 Ausführungen
Kein Bild vorhanden
VERSENKTER ZIEHGRIFF RUND Ø80 CC38 8X8 DRÜCKERSTIFT (16391001001)
1 Ausführungen
1 Ausführungen
Kein Bild vorhanden
VERSENKTER ZIEHGRIFF OVAL 50X102 POLIERT (16395001101)
1 Ausführungen
1 Ausführungen
FAT ZIEHGRIFF S BUCHSE Ø35 CC70 SATINIERT (12900802070)
FAT
1 Ausführungen
1 Ausführungen
VERSENKTER ZIEHGRIFF OVAL 50X102 SATINIERT (14395002105)
1 Ausführungen
1 Ausführungen
VERSENKTER ZIEHGRIFF OVAL 58X175 SATINIERT (14395002164)
1 Ausführungen
1 Ausführungen
VERSENKTER ZIEHGRIFF OVAL 50X102 ED PVD KUPFER (143950P2105)
1 Ausführungen
1 Ausführungen
VERSENKTER ZIEHGRIFF OVAL 58X175 ED PVD KUPFER (143950P2164)
1 Ausführungen
1 Ausführungen
VERSENKTER ZIEHGRIFF OVAL 50X102 ED PVD MESSING (143950P3105)
1 Ausführungen
1 Ausführungen
VERSENKTER ZIEHGRIFF OVAL 58X175 ED PVD MESSING (143950P3164)
1 Ausführungen
1 Ausführungen
VERSENKTER ZIEHGRIFF OVAL 50X102 ED PVD CHARCOAL (143950P4105)
1 Ausführungen
1 Ausführungen
VERSENKTER ZIEHGRIFF OVAL 58X175 ED PVD CHARCOAL (143950P4164)
1 Ausführungen
1 Ausführungen
VERSENKTER ZIEHGRIFF OVAL 50X102 ED RAL9005 SCHWARZ (143950R1105)
1 Ausführungen
1 Ausführungen
VERSENKTER ZIEHGRIFF OVAL 58X175 ED RAL9005 (143950R1164)
1 Ausführungen
1 Ausführungen
VERSENKTER ZIEHGRIFF QUADR AUF SCHILD 175X175 (14397002111)
1 Ausführungen
1 Ausführungen
FAT ZIEHGRIFF M BUCHSE Ø35 CC140 SATINIERT (12900802140)
FAT
1 Ausführungen
1 Ausführungen
FAT ZIEHGRIFF L BUCHSE Ø35 CC210 SATINIERT (12900802210)
FAT
1 Ausführungen
1 Ausführungen
FAT ZIEHGRIFF S BUCHSE Ø35 CC70 PVD CHARCOAL (129008P4070)
FAT
1 Ausführungen
1 Ausführungen
1
2
3
…
137
chevron-left
Alert
Browse file
Download file
File
Image
Pdf
Pdf
Word
Text
Excel
Powerpoint
Archive
Csv
Audio
Video
Spinner
Calendar
Sort None
Sort ASC
Sort DESC
Return arrow
Visible
Visible
Helmet
Skrew
Worker