+49 (0) 461 5808-2000
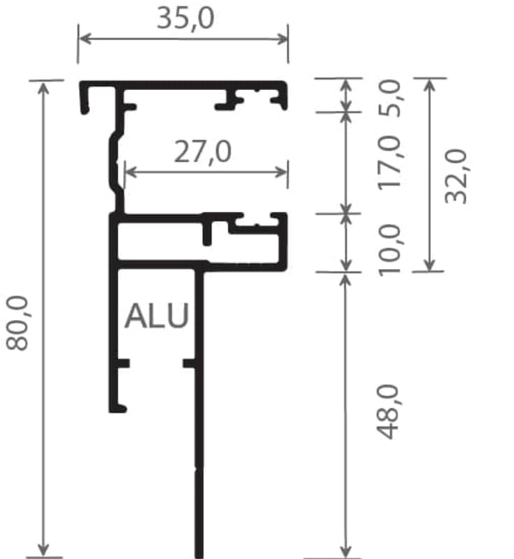
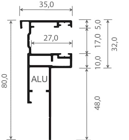
ALU Rollladenführung 80x35 mm Lg. 6,50 m foliert, GK Grau 306 9041-167 BERGKIEFER [21]