Simonswerk C 5-15, Topzink (SW 110), DIN rechts und links

SIMONSWERK, Fenster-Einbohrband, Ausführung: für Kippflügel, mit losem Stift, Modell: BAKA®, Modellnummer: C 5-15, Bandkonstruktion: 3-teilig, Kopfausbildung: Flachkopf, Material: Stahl, Oberfläche: t

mehr erfahren
Meesenburg Artikelnummer: 0000200727
Meesenburg Artikelbezeichnung: BAKA-BÄNDER C 5-15 TOPZINK ABTRAGEND
Hersteller Artikelnr.: 5 080631 0 11009
EAN: 4015471039608
Verkaufseinheit
x
Anzahl:
=
Stück
Online Verfügbarkeit
Standort Verfügbarkeit
Verfügbarkeitsabfrage und Standortinformationen. Click & Collect ist aktuell noch nicht verfügbar.
Preise nur für Meesenburg Kunden
Produkteigenschaften
Downloads
Produkteigenschaften

Beschreibung

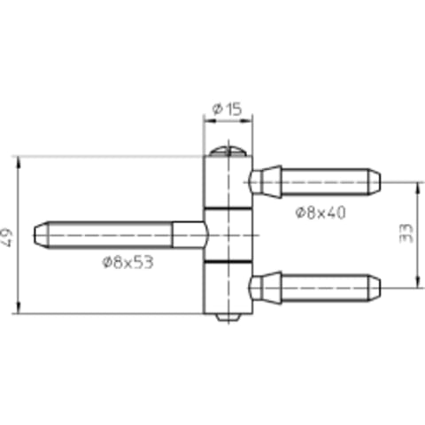
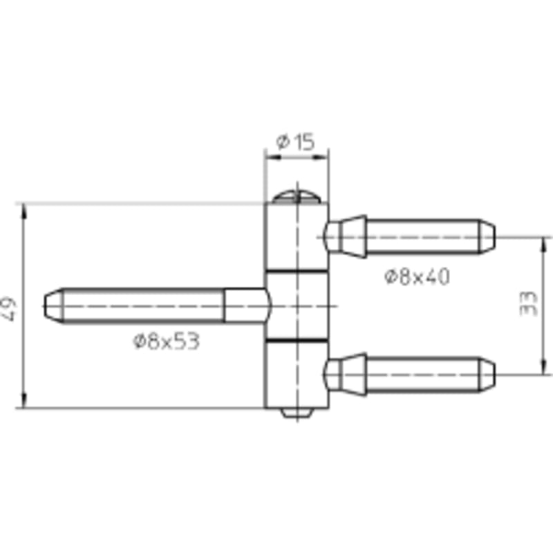
SIMONSWERK, Fenster-Einbohrband, Ausführung: für Kippflügel, mit losem Stift, Modell: BAKA®, Modellnummer: C 5-15, Bandkonstruktion: 3-teilig, Kopfausbildung: Flachkopf, Material: Stahl, Oberfläche: topzink, Ergänzung: gefälzt, Länge: 49 mm, Rollenlänge: 49 mm, Rollendurchmesser: 15 mm, Fensterwerkstoff: Holz,Anwendung : Blendrahmen, DIN-Richtung: DIN Links-Rechts, Befestigungsart: zum Einbohren, Belastungswert bei zwei Bänder: 40 kg, Durchmesser Einbohrzapfen Flügelteil: 8 mm, Länge Einbohrzapfen Flügelteil: 53 mm, Durchmesser Einbohrzapfen Rahmenteil: 8 mm, Länge Einbohrzapfen Rahmenteil: 40 mm, Befestigungsabstand Einbohrzapfen Rahmenteil: 33 mm, Korrosionsbeständigkeit: Klasse 4
Produkteigenschaften
Richtung
links/rechts
Befestigungsart
zum Einbohren
Oberflächenschutz
Topzink
Material

Holz-Stahl

Umweltzeichen

EPD

Marke
SIMONSWERK

Kontaktinformation des Herstellers

SIMONSWERK GmbH
Bosfelder Weg 5
33378 Rheda-Wiedenbrück
Deutschland
Telefon: +49 5242 4130
E-Mail: info@simonswerk.de
chevron-left rechnung-logo AlertBrowse fileDownload fileFileImagePdfPdfWordTextExcelPowerpointArchiveCsvAudioVideoSpinnerCalendarSort NoneSort ASCSort DESCReturn arrowVisibleVisibleHelmetSkrewWorker