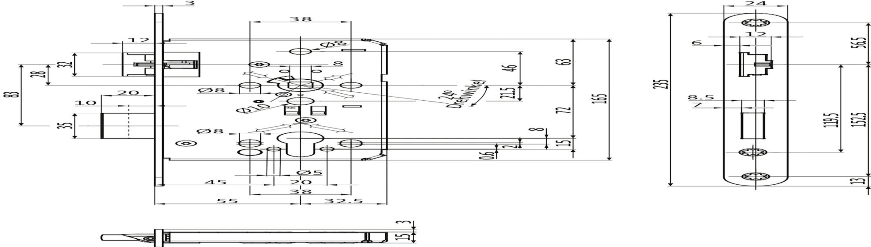
BKS Einsteckschloss B-06150,PZW72/8,D55,F24x235rd,ER,DL,FLF

BKS Objekttür Behörden-Einsteckschloss, Lochung: Profilzylinder gelocht, Entfernung: 72, Entfernung: 72 mm, Drückernussvierkant: 8 mm, Drückernussvierkant: 8, Dornmaß: 55 mm, Stulpform: Flachstulp, St

mehr erfahren
Meesenburg Artikelnummer: 0009047285
Meesenburg Artikelbezeichnung: BEH.SCHLOSS D55-W-F24-ABG-PZ-FLF B-06150-N1-L-8
Hersteller Artikelnr.: B-06150-N1-L-8
EAN: 4015540801280
Verkaufseinheit
x
Anzahl:
=
Stück
Online Verfügbarkeit
Standort Verfügbarkeit
Verfügbarkeitsabfrage und Standortinformationen. Click & Collect ist aktuell noch nicht verfügbar.
Preise nur für Meesenburg Kunden
Produkteigenschaften
Produkteigenschaften

Beschreibung

BKS Objekttür Behörden-Einsteckschloss, Lochung: Profilzylinder gelocht, Entfernung: 72, Entfernung: 72 mm, Drückernussvierkant: 8 mm, Drückernussvierkant: 8, Dornmaß: 55 mm, Stulpform: Flachstulp, Stulpbreite: 24 mm, Stulpausführung: rund, Modellnummer: B-0615, Einzelteilmaterial Stulp: edelstahl, Wechsel: mit Wechsel, DIN-Richtung: DIN Links, Farbton Stulp: Edelstahl, Oberfläche Stulp: matt, Türausprägung: Türe stumpf, Schlossriegel: 2 tourig, Schlossklasse: Klasse 5, Riegelausschluss: 20 mm, Stulpstärke: 3 mm, Türart: Abschlusstür, Türflügelanzahl: einflügelig, Einzelteilmaterial Falle: Temperguss, Oberfläche Falle: vernickelt, Falleneigenschaft: mit Flüsterfalle, mit wartungsfreier Gleitführung, Einzelteilmaterial Riegel: stahl, Oberfläche Riegel: vernickelt, Riegeleigenschaft: mit Sicherheitszuhaltung, Drückernuss: einteilig, Einzelteilmaterial Drückernuss: stahl, Schlosskasten: Geschlossen, Einzelteilmaterial Schlosskasten: stahl, Oberfläche Schlosskasten: verzinkt, Schlosskastenlänge: 165 mm, Schlosskastenstärke: 13 mm, Stulpeigenschaft: einseitig überstehend, Norm: DIN 18251, Türwerkstoff: Holz, stahl
Produkteigenschaften
Entfernung
72 mm
Richtung
links
Lochung
Profilzylinder
Stulpform
Flachstulp
Stulpoberfläche
matt
Drückernuss Vierkant
8 mm
Stulpmaterial
Edelstahl
Dornmaß
55 mm
Stulpbreite
24 mm
Hinterdornmaß
55 mm
Schlosskastenbreite
84.5 mm
Stulplänge
235 mm
Schlosskastentiefe
165 mm
Marke
BKS

Kontaktinformation des Herstellers

BKS GmbH
Heidestraße 71
42549 Velbert
Deutschland
Tel.: +4920512010
Fax: +492051201431
E-Mail: info@bks.de
chevron-leftAlertBrowse fileDownload fileFileImagePdfPdfWordTextExcelPowerpointArchiveCsvAudioVideoSpinnerCalendarSort NoneSort ASCSort DESCReturn arrowVisibleVisibleHelmetSkrewWorker