+49 (0) 461 5808-2000
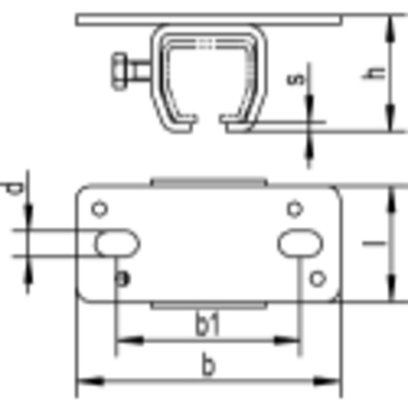
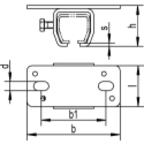
Schienenhalter zur Deckenbefestigung für eine Laufschiene. Ohne Niveauausgleich.