DICHTUNG S 6647 GRAU 15874

Dichtung als äußere Anschlagdichtung von Holz-Aluminium-Fenstern und-Fenstertüren. • für 1 mm Spalt • Verarbeitung: klinken oder stumpf stoßen - wird die Dichtung im Eckbereich stumpf gestoßen, läuft

mehr erfahren
Meesenburg Artikelnummer: 0000324862
Meesenburg Artikelbezeichnung: DICHTUNG S 6647 GRAU 15874
Hersteller Artikelnr.: 827809
EAN: 4043613099777
Verkaufseinheit
x
Anzahl:
=
Meter
Online Verfügbarkeit
Standort Verfügbarkeit
Verfügbarkeitsabfrage und Standortinformationen. Click & Collect ist aktuell noch nicht verfügbar.
Preise nur für Meesenburg Kunden
Produkteigenschaften
Produkteigenschaften

Beschreibung

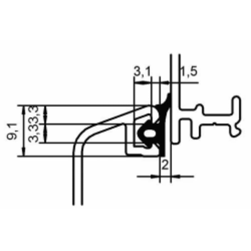
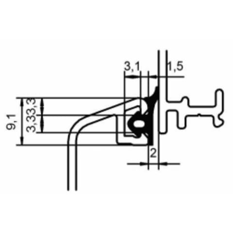
Dichtung als äußere Anschlagdichtung von Holz-Aluminium-Fenstern und-Fenstertüren. • für 1 mm Spalt • Verarbeitung: klinken oder stumpf stoßen - wird die Dichtung im Eckbereich stumpf gestoßen, läuft die obere und untere Querdichtung durch. Die zwei aufrechten Profillängen werden mit geringem Übermaß zwischen die quer laufenden Dichtungen geschnitten und in die vorgesehene Nut eingebaut
Produkteigenschaften
Anschlagluft
2 mm
Nuttiefe
3.1 mm
Nutbreite
3.3 mm
Marke
DEVENTER
Herstellerfarbe
RAL 7015 schiefergrau

Kontaktinformation des Herstellers

Roto Frank Holding AG
Wilhelm-Frank-Platz 1
70771 Leinfelden-Echterdingen
Deutschland
Telefon: +49 71175980
Telefax: +49 7117598253
E-Mail: info@roto-frank.com
chevron-leftAlertBrowse fileDownload fileFileImagePdfPdfWordTextExcelPowerpointArchiveCsvAudioVideoSpinnerCalendarSort NoneSort ASCSort DESCReturn arrowVisibleVisibleHelmetSkrewWorker