+49 (0) 461 5808-2000
Versand zum Jahreswechsel: Letzter Versandtag am 19.12.2025, erster Versandtag am 05.01.2026. Mehr erfahren!
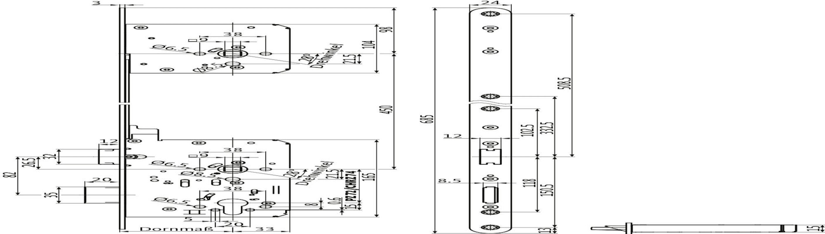
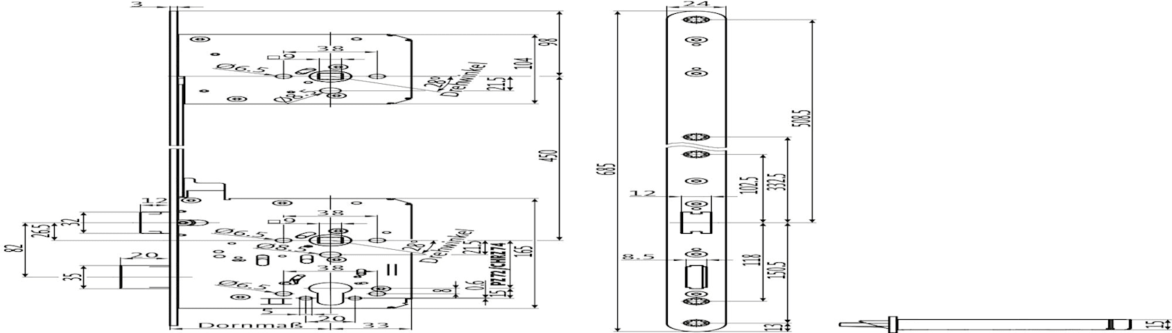
BKS Panik-Einsteckschloss B-23440,einflügelig,Profilzylinder gelocht 72/9,Dornmaß 65,Flachstulp 24x685 rund,edelstahl,Durchgangsfunktion D