+49 (0) 461 5808-2000
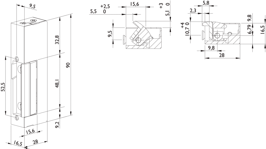
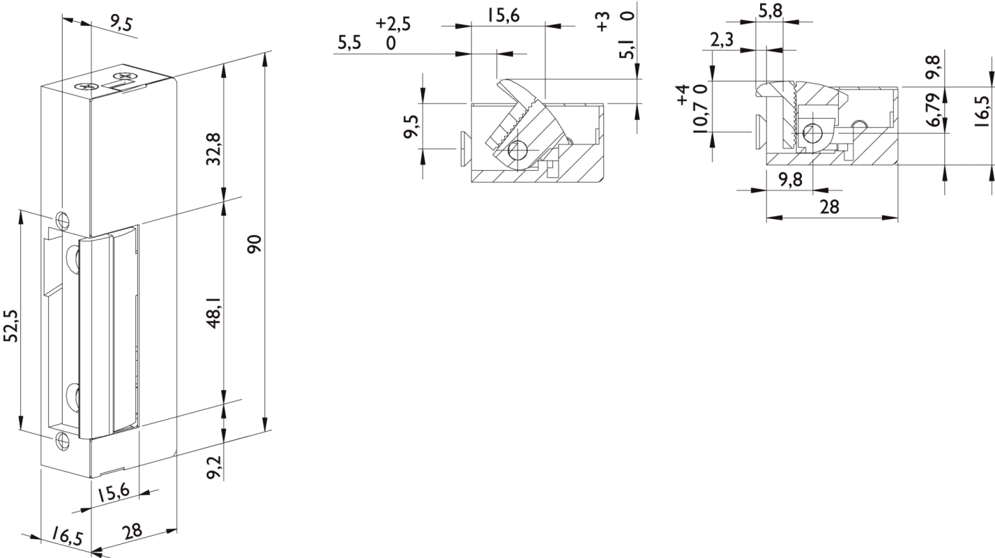
Elektrischer Türöffner DORCAS 42 N FLEX, Symmetrisch, Regelbares Fallenstück (FLEX), ohne Entriegelung, 8 Ohm / 6 - 12 V DIN links