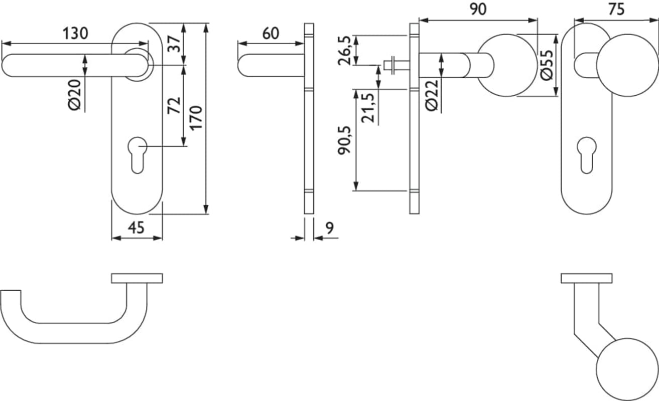
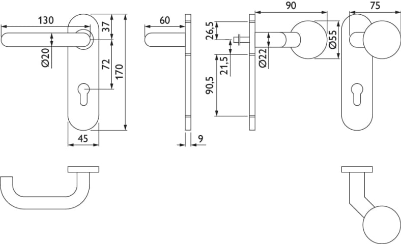
Feuerschutz-Wechselgarnitur 1801 BASIC 01, mit Gleitlager-Kurzschild 2006 KU FS, Ausf.: PZW rechts / Kugelknopf 3126 GK (linksz.), fest/drehbar, 9 mm Vierkant, Türstärke 42 - 65 mm, Oberfl. 60 (Edelst
mehr erfahren
Edelstahl
silber