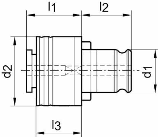
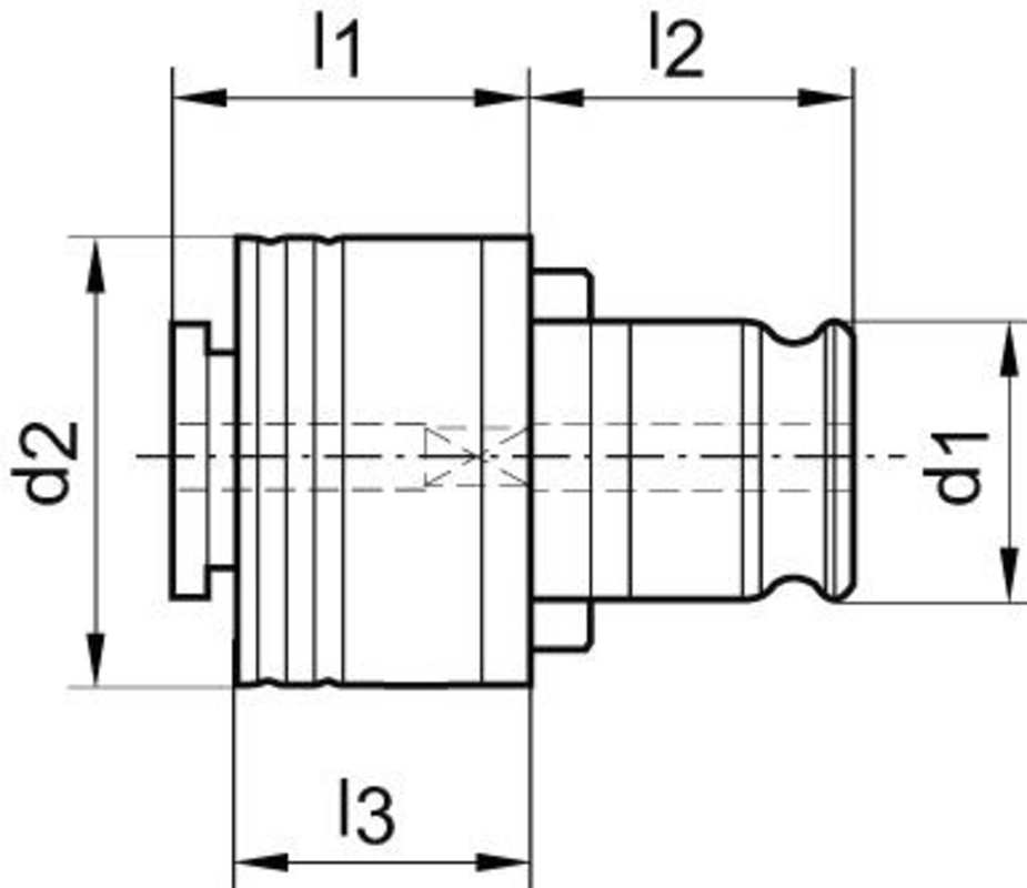
Schnellwechseleinsatz FES1• Mit Drehmoment-begrenzender Sicherheitskupplung • Für Grundlochbohrungen
mehr erfahren
• Mit Drehmoment-begrenzender Sicherheitskupplung
• Für Grundlochbohrungen