Produktvorteile
Mit mindestens 50 % nachwachsenden Rohstoffen produziert und daher besonders umweltfreundlich.
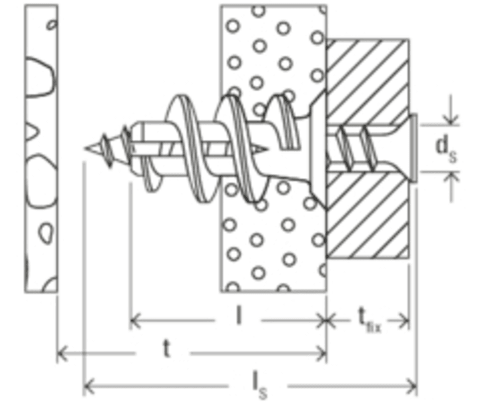
Genauso leistungsfähig, sicher und langlebig wie der normale GK-Dübel.
Das beigepackte Setzwerkzeug vereint die Funktionen Bohren und Dübel setzen für eine direkte und einfache Montage.
Scharfes, selbstschneidendes Gewinde für eine formschlüssige Verbindung mit hoher Tragfähigkeit.
Durch den Kreuzschlitz im Dübelkopf lässt sich der GK Green wie eine Schraube einfach demontieren.