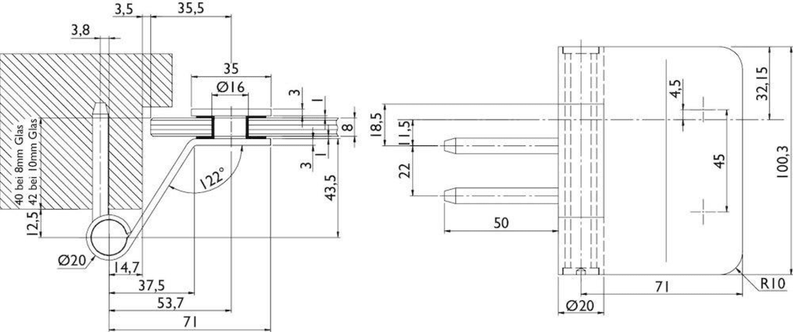
Glastür-Bandpaar 6351, 3 tlg. (Officebohrung) inkl. Rahmenteil Holzzarge, für stumpfe Türen DIN RECHTS / Falztiefe 40 mm, max. empfohlene Türbreite 1000 mm, Oberfl. 60 (Edelstahl matt)
mehr erfahren
silber