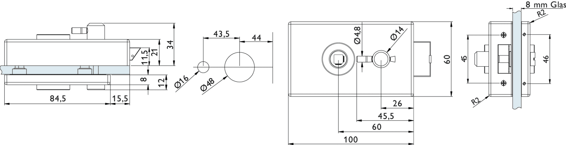
Glastür-Schlosskasten 6096 BAD - Arco, DIN links einwärts - mit rot/weiß Anzeige, Verriegelungshebel auf Schlossseite, Oberfl. F1 (silberfarben eloxiert)
mehr erfahren
silber