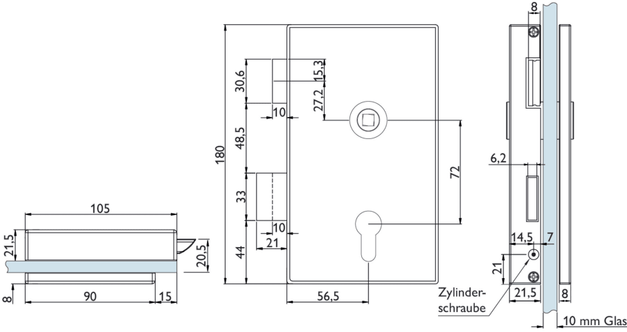
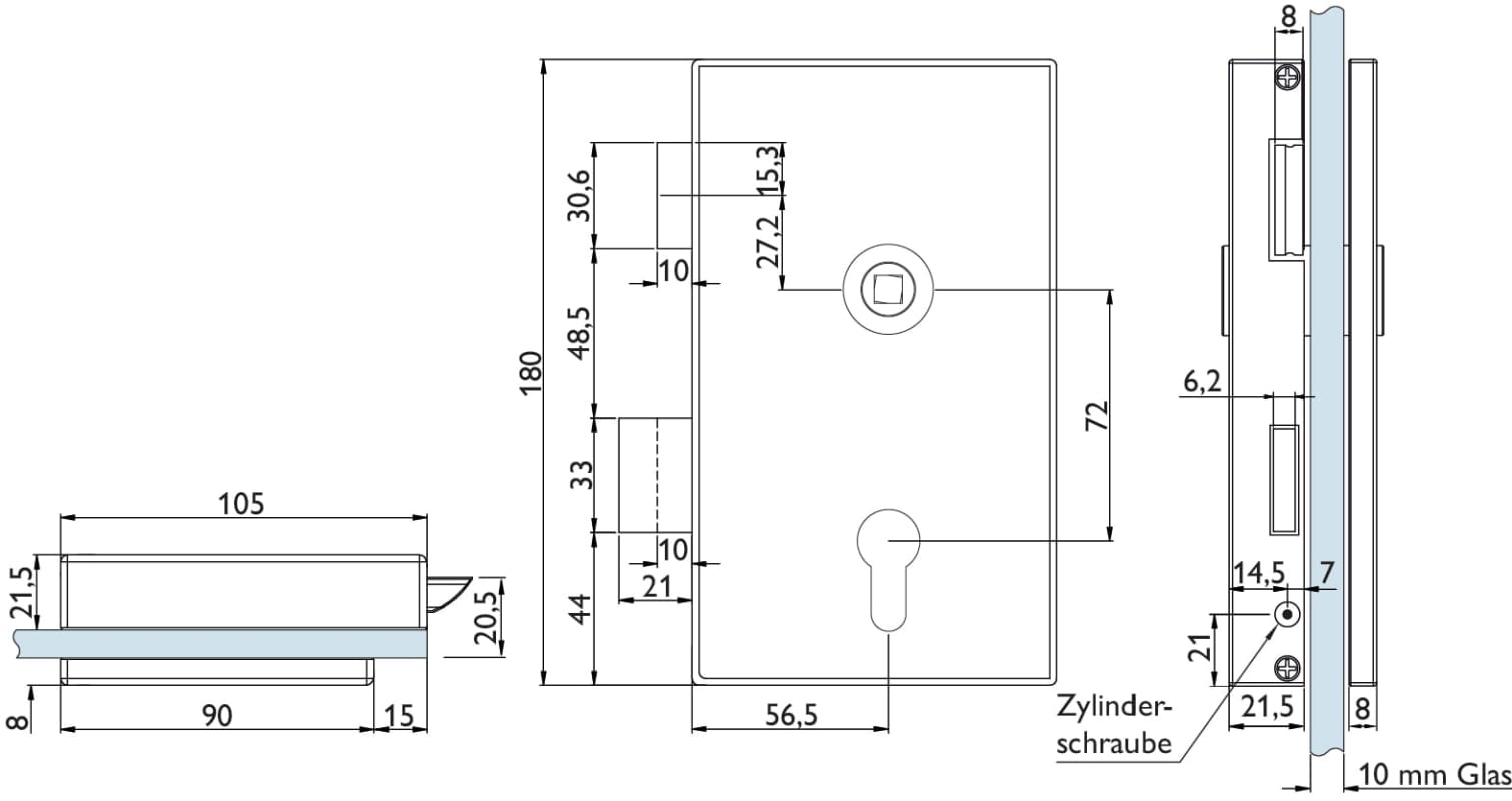
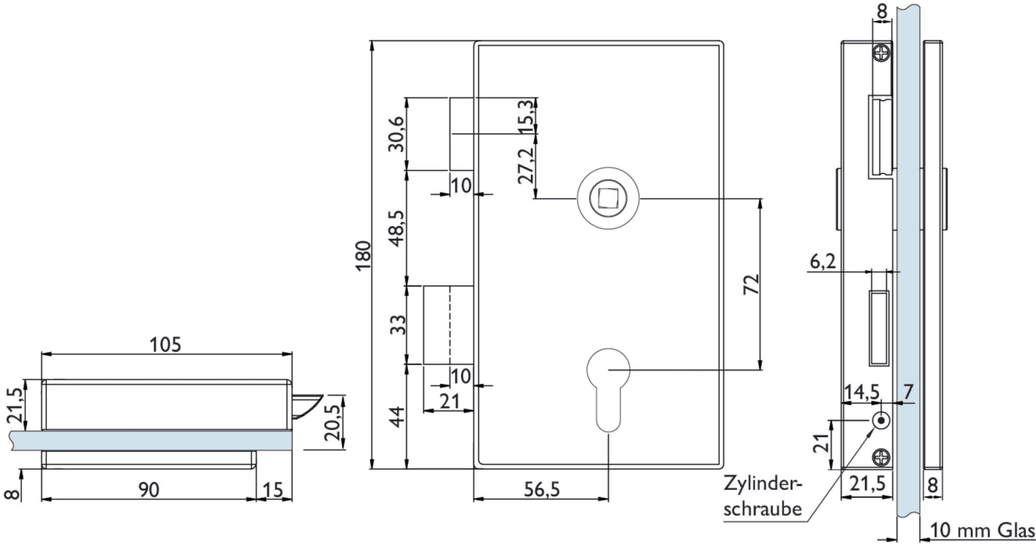
Glastür-Schlosskasten 6053 PZ - Molina, PZ gelocht - DIN rechts, Falle und Riegel für 10 mm Glas, Oberfl. 74 (Classic Black, ähnl. RAL 9005)
mehr erfahren
schwarz