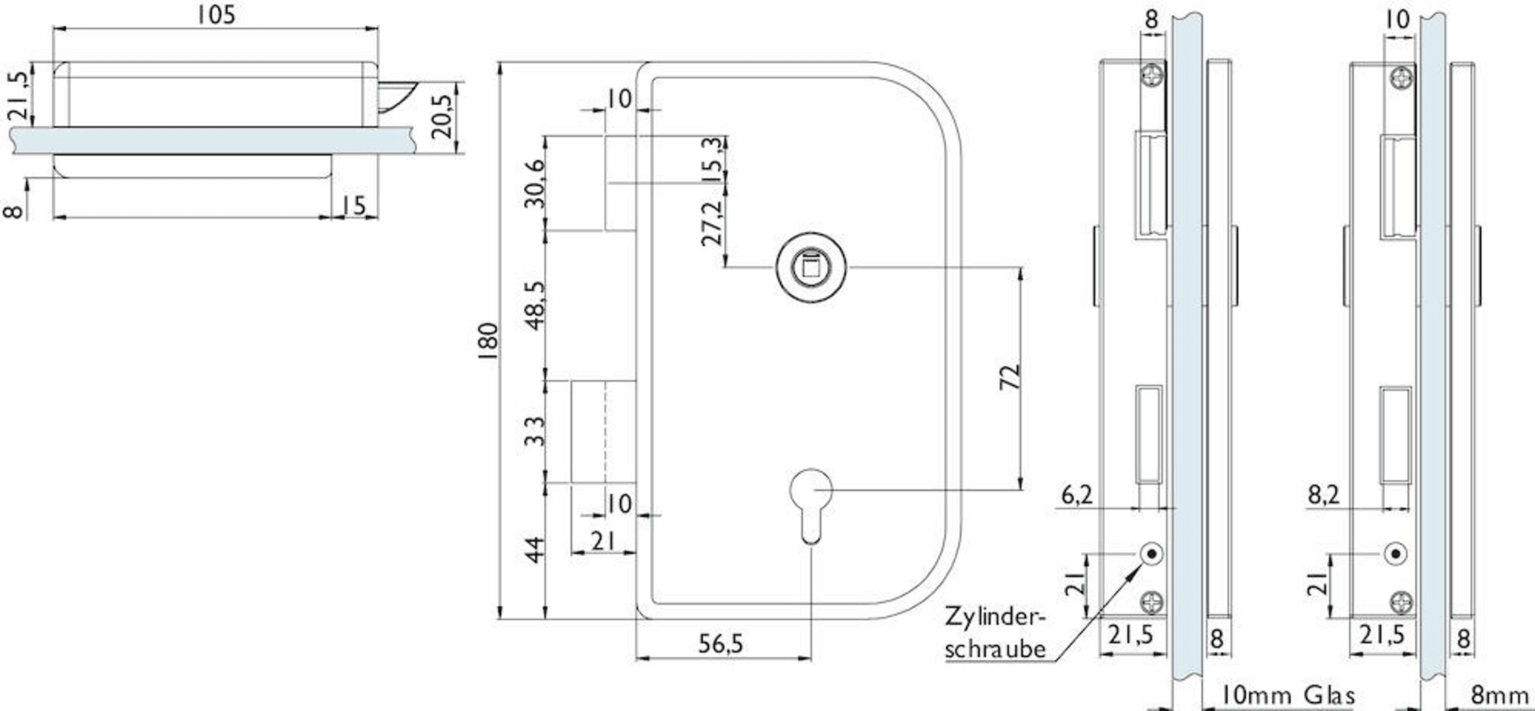
Glastür-Schlosskasten 6033/10 mm PZ - Roma, PZ gelocht - DIN rechts, inkl. Bandpaar 6315.P, Oberfl. 60 (Edelstahl matt)
mehr erfahren
silber