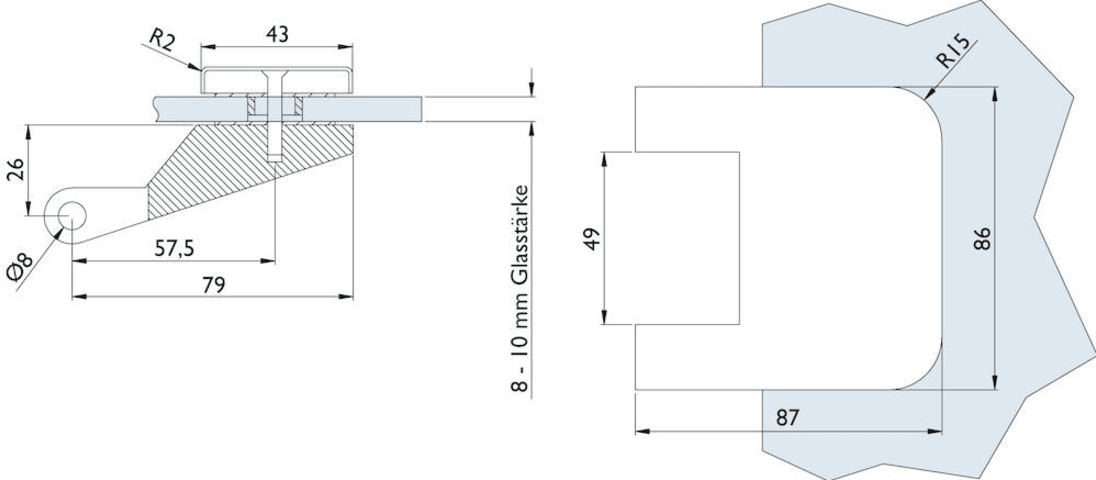
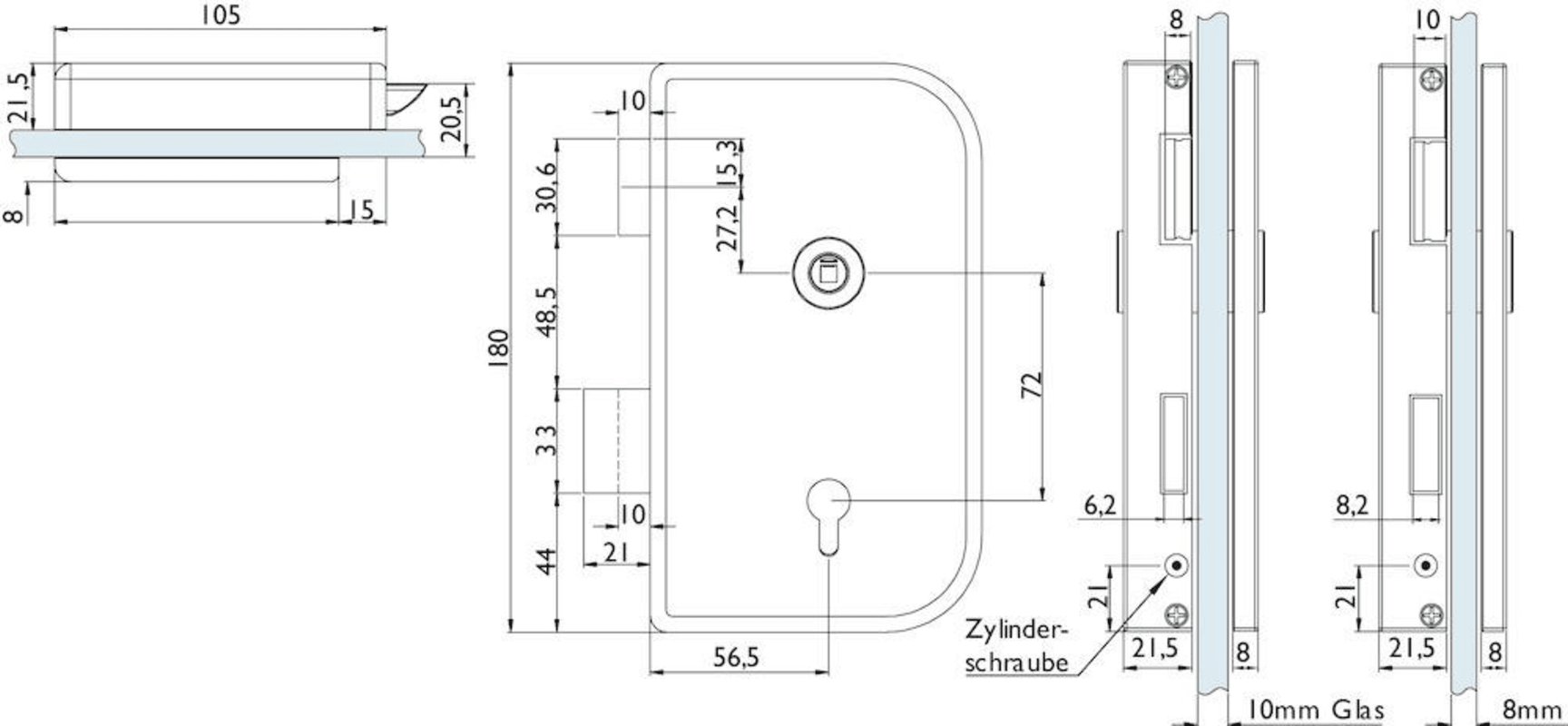
Glastür-Schlosskasten 6033/10 mm PZ - Roma, PZ gelocht - DIN links, inkl. Bandpaar 6315, Oberfl. F1 (silberfarben eloxiert)
mehr erfahren
silber