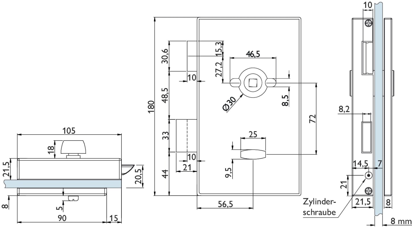
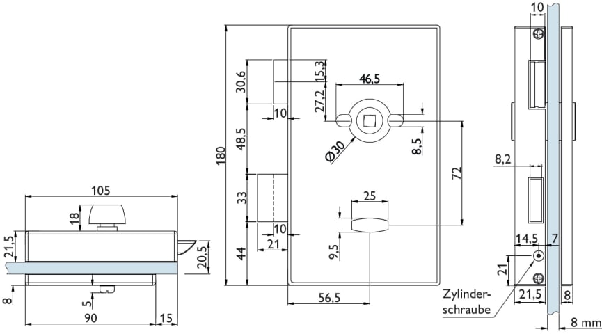
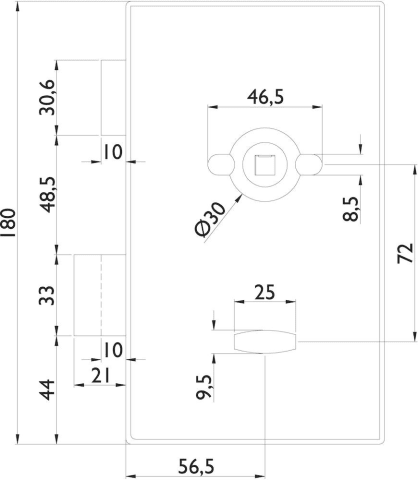
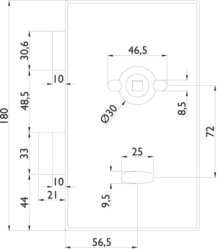
Glastür-Schlosskasten 6056-R BAD - Molina, mit Bad Verriegelung rot/grün - DIN rechts, vorgerichtet für Drückerrosetten, Oberfl. 60 (Edelstahl matt)
mehr erfahren
silber