+49 (0) 461 5808-2000
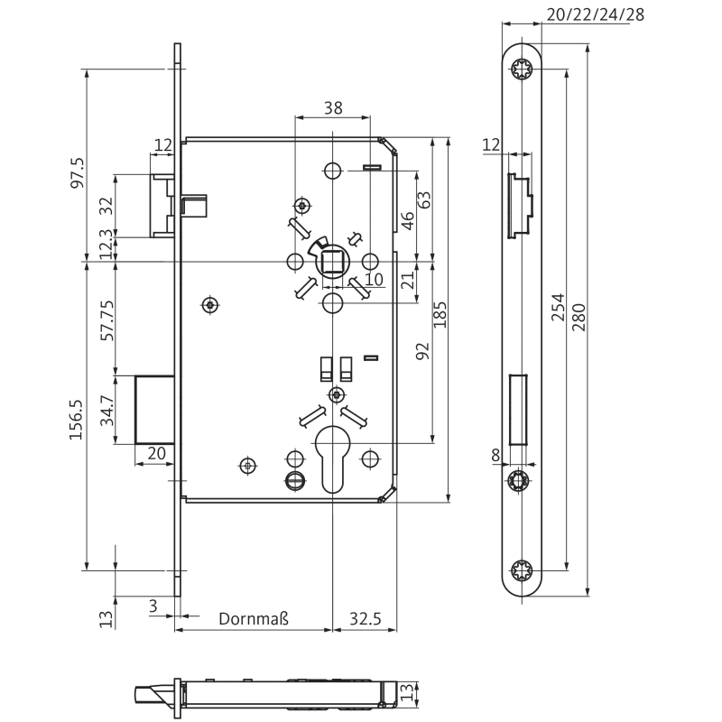
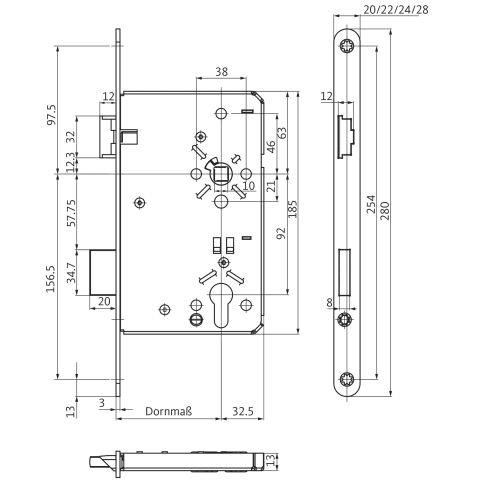
Haustürschloss B-0024, für einflügelige Türen. Eigenschaften: • Für Schlösser der Art: Einsteckschloss • Anzahl Türflügel: 1-flügelig • Für Elemente aus: Holz-/Stahltüren • Funktion: Normalfunktion •