BKS PA-Fallen-Schloss B-21160,PZW72/9,D55,F20x235rd,ER,DL,PAF-E

BKS Panik-Einsteckschloss B-21160; Produkttyp: Panik-Einsteckschloss; Produkttyp (Hersteller): Selbstverriegelndes Panikschloss; Ausführung: mechanisch; Verriegelung: selbstverriegelnd (automatisch);

mehr erfahren
Meesenburg Artikelnummer: 0000429825
Meesenburg Artikelbezeichnung: HOLZ-U.STAHLTÜRSCHLOSS B-21160-00-L-8 D55-E-F20X235-ABG-PZ
Hersteller Artikelnr.: B-21160-00-L-8
EAN: 4015540867354
Verkaufseinheit
x
Anzahl:
=
Stück
Online Verfügbarkeit
Standort Verfügbarkeit
Verfügbarkeitsabfrage und Standortinformationen. Click & Collect ist aktuell noch nicht verfügbar.
Preise nur für Meesenburg Kunden
Produkteigenschaften
Anwendungsgebiete
Produkteigenschaften

Beschreibung

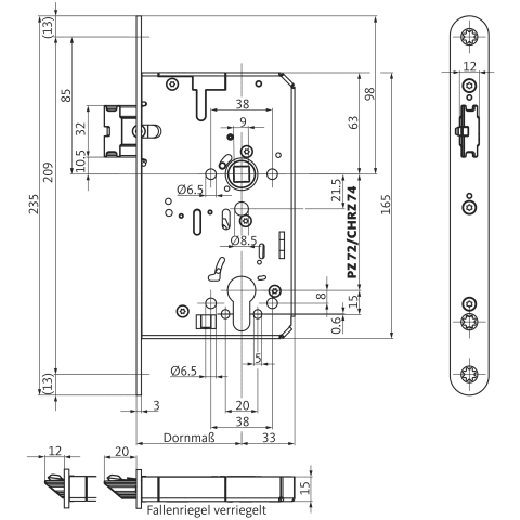
BKS Panik-Einsteckschloss B-21160; Produkttyp: Panik-Einsteckschloss; Produkttyp (Hersteller): Selbstverriegelndes Panikschloss; Ausführung: mechanisch; Verriegelung: selbstverriegelnd (automatisch); Entriegelung: manuell; Drückernuss: einteilig; Stulpform: Flachstulp; Material Stulp: Edelstahl; Funktion Anti Panik: Wechselfunktion E; Ausführung Riegel: Fallenriegel mit Auslösehebel; Schlosskasten: geschlossen; Schlosskastenhöhe: 165 mm; Schlosskastenstärke: 15 mm; Norm: DIN EN 12209,DIN EN 1125,DIN EN 179; Zulassung: für Feuerschutz,für Fluchttüren,für Rauchschutz; Türart: Vollblatt; Türflügelanzahl: einflügelig; Türwerkstoff: Holz,Stahl; Einsatzbereich: Gangflügel; Dornmaß: 55 mm; Hinterdornmaß: 33 mm; Drückernussvierkant: 9 mm; Entfernung: 72 mm; Lochung: Profilzylinder gelocht; DIN-Richtung: DIN Links; Stulpausführung: rund; Stulpbreite: 20 mm; Stulplänge: 235 mm; Stulpstärke: 3 mm; Farbton Stulp: edelstahl; Oberfläche Stulp: matt; Schlossriegel: 1 tourig; Riegelausschluss: 20 mm; Einbautiefe Schlosskasten: 85 mm; Wechsel: mit Wechsel
Produkteigenschaften
Entfernung
72 mm
Richtung
links
Lochung
Profilzylinder
Panikfunktion
Wechselfunktion E
Stulpform
flach
Stulpoberfläche
matt
Stulpmaterial
Edelstahl
Dornmaß
55 mm
Stulpbreite
20 mm
Riegelausschluss (Maß)
20 mm
Hinterdornmaß
33 mm
Stulpstärke
3 mm
Einbautiefe
85 mm
Schlosskastenhöhe
165 mm
Marke
BKS
Anwendungsgebiete
Anwendungsgebiete

Kontaktinformation des Herstellers

BKS GmbH
Heidestraße 71
42549 Velbert
Deutschland
Tel.: +4920512010
Fax: +492051201431
E-Mail: info@bks.de
chevron-left rechnung-logo AlertBrowse fileDownload fileFileImagePdfPdfWordTextExcelPowerpointArchiveCsvAudioVideoSpinnerCalendarSort NoneSort ASCSort DESCReturn arrowVisibleVisibleHelmetSkrewWorker