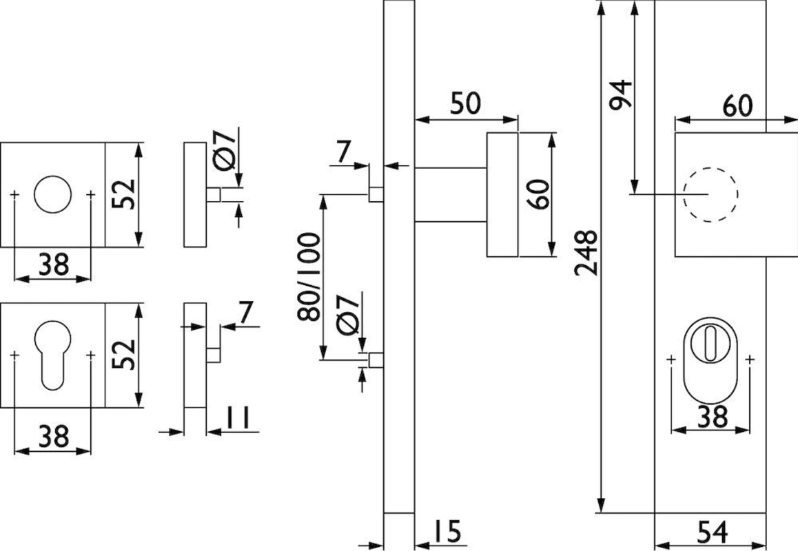
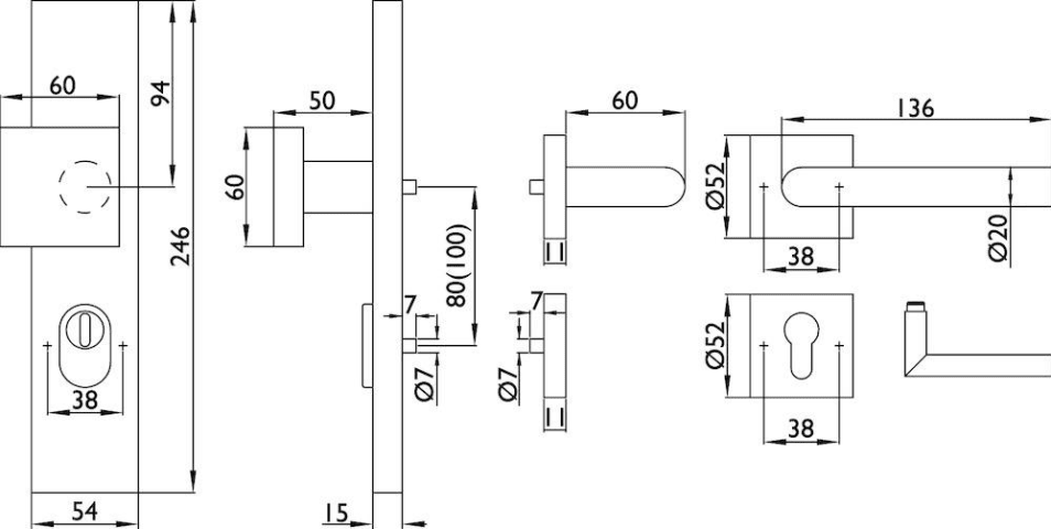
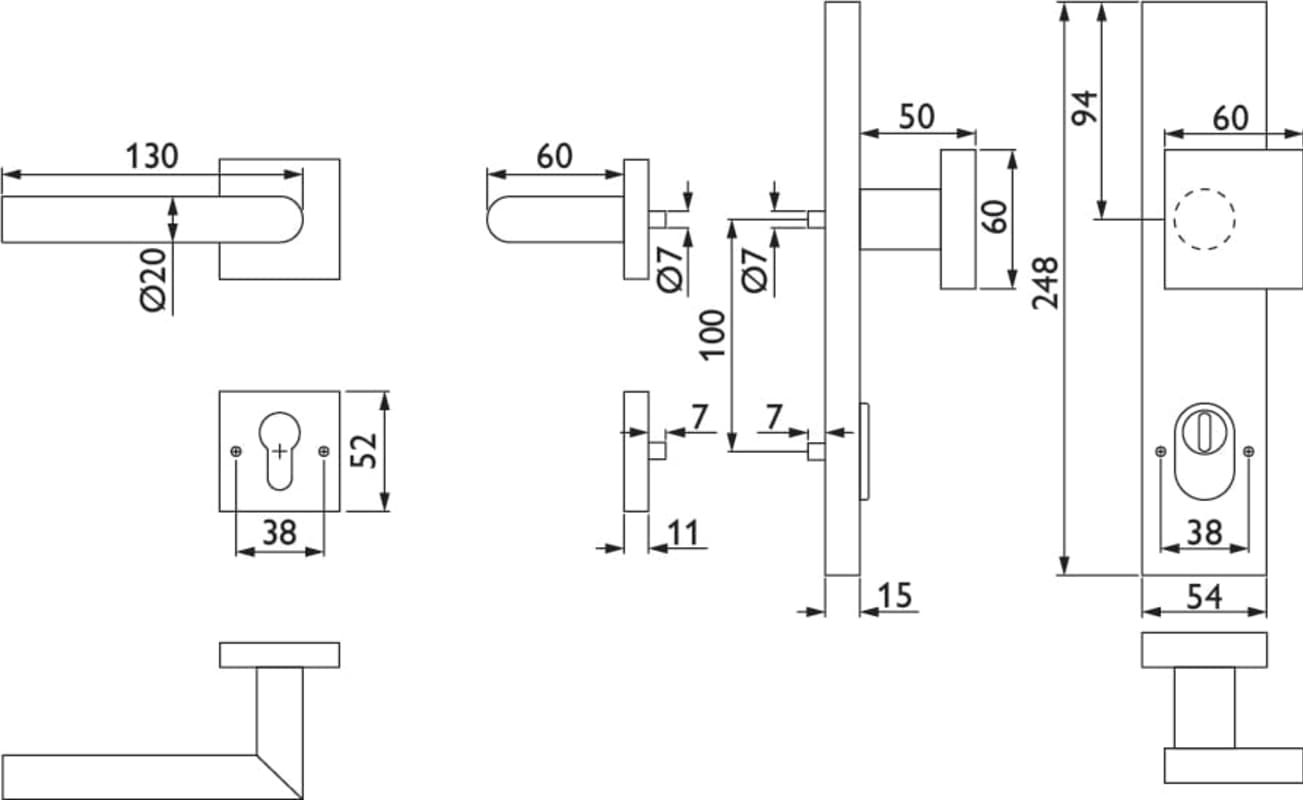
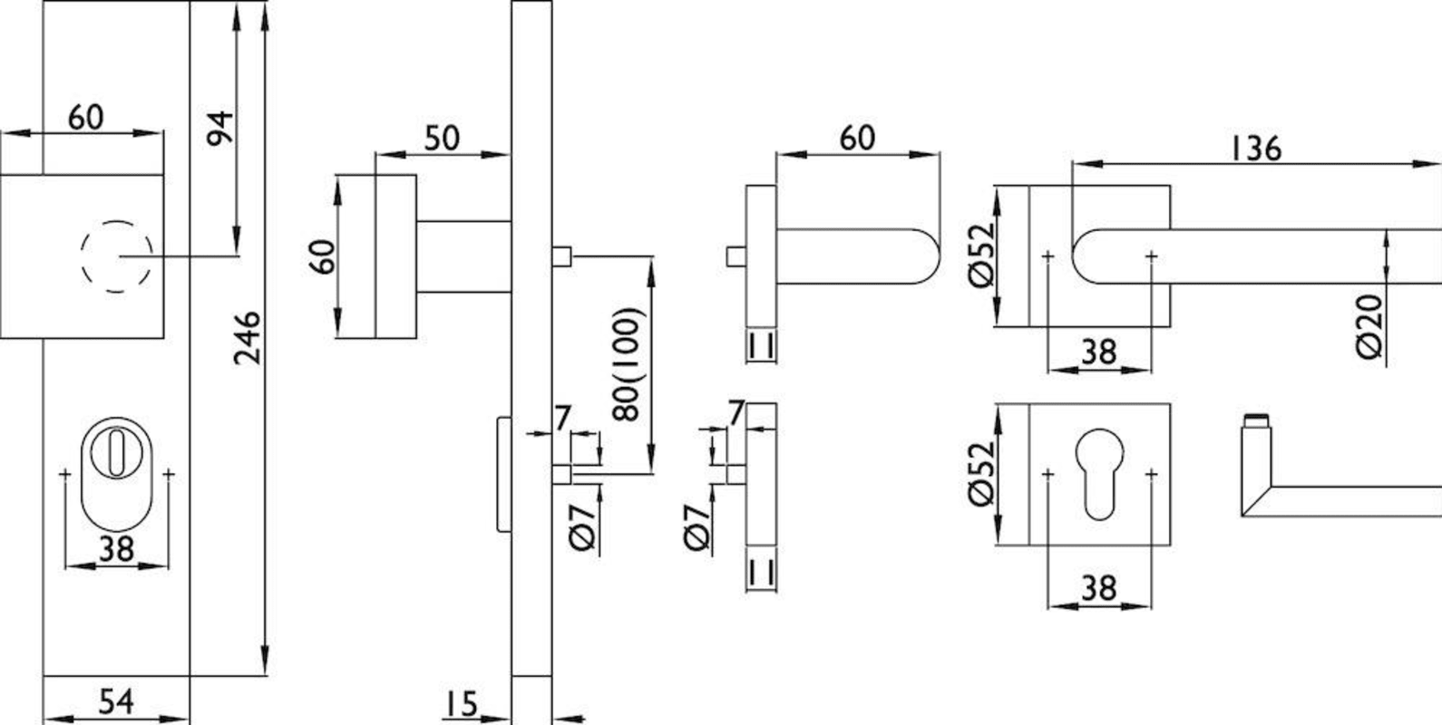
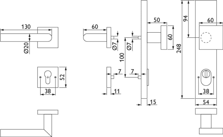
HT-EN2-Kombi-Schutz-Wechselgarnitur 1802 BASIC 02, außen Langschild 2094 KSH, Knopf 3132 gekröpft, innen Rosette 2311 SC, PZW 92 rechts, Tst. 64-83mm, mit Kernziehschutz für Zylinderüberstand 8 - 15 m
mehr erfahren
Edelstahl
silber