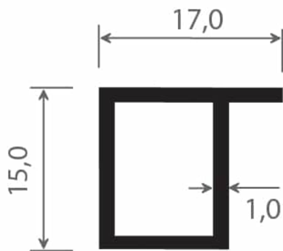
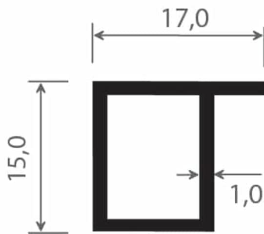
Kammerprofil 17x15 mm Lg. 6,00 m foliert, mit Nase 72 5105-167 LICHTGRAU [70]
mehr erfahren
Kunststoff