Simonswerk V 3604/18,5, gelb verzinkt (SW 011), DIN rechts und links

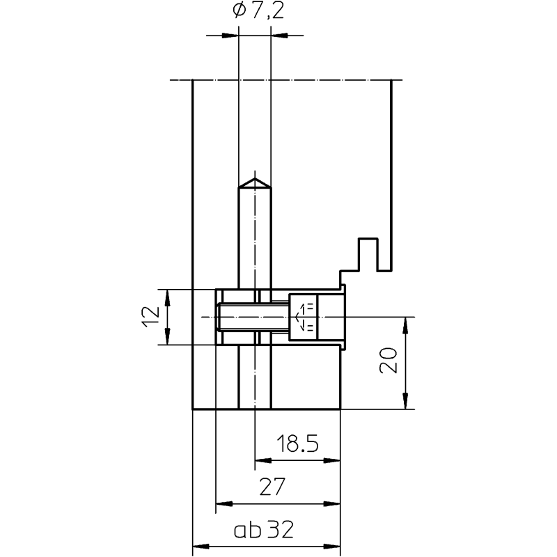
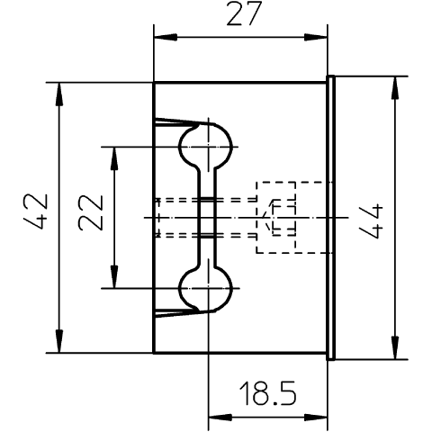
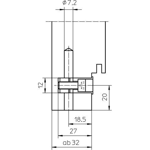
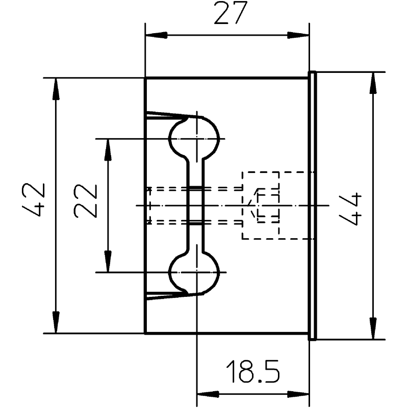
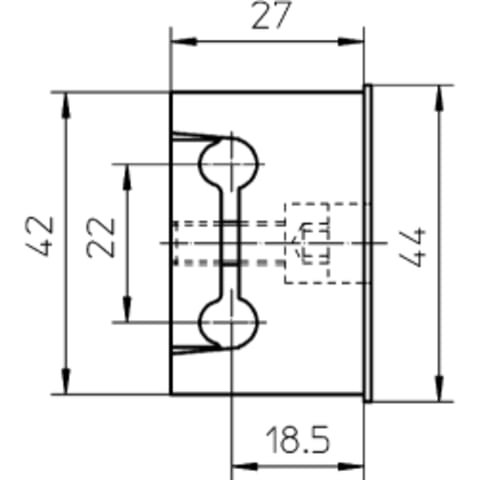
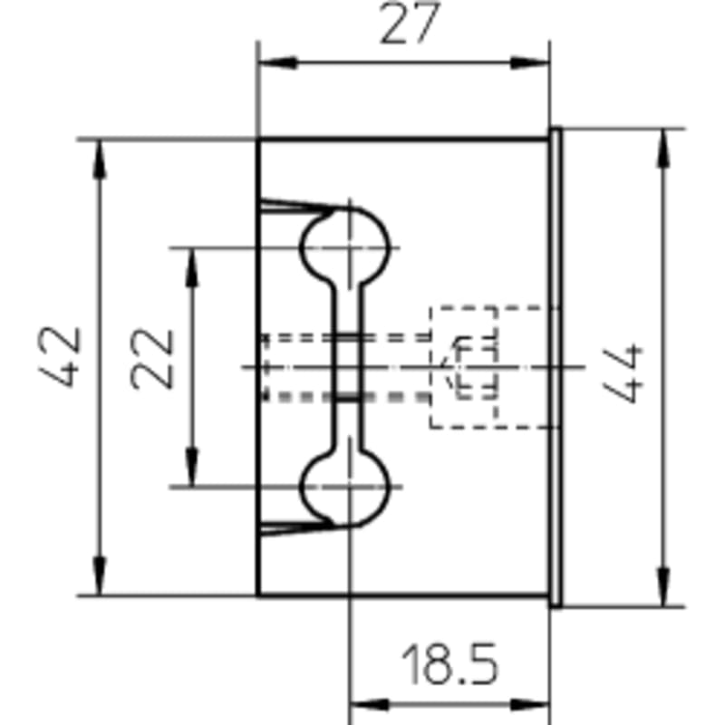
SIMONSWERK, Zimmertür-Klemmblock, DIN-Richtung: DIN Links-Rechts, Modell: VARIANT®, Modellnummer: V 3604/18,5, Material: Stahl, Oberfläche: verzinkt, Befestigungsart: zum Einlassen, Höhe: 44 mm, Tiefe

mehr erfahren
Meesenburg Artikelnummer: 0000020851
Meesenburg Artikelbezeichnung: KLEMMBLOCK V 3604 GVZ
Hersteller Artikelnr.: 500001003
EAN: 4015471031619
Verkaufseinheit
x
Anzahl:
=
Stück
Online Verfügbarkeit
Standort Verfügbarkeit
Verfügbarkeitsabfrage und Standortinformationen. Click & Collect ist aktuell noch nicht verfügbar.
Preise nur für Meesenburg Kunden
Produkteigenschaften
Downloads
Produkteigenschaften

Beschreibung

SIMONSWERK, Zimmertür-Klemmblock, DIN-Richtung: DIN Links-Rechts, Modell: VARIANT®, Modellnummer: V 3604/18,5, Material: Stahl, Oberfläche: verzinkt, Befestigungsart: zum Einlassen, Höhe: 44 mm, Tiefe: 27 mm, Ergänzung: gefälzte Türen, stumpfe Türen, Anwendung: Blendrahmen, Blockzarge, Fräserdurchmesser: 12 mm, Abstand Höhe Bandaufnahme: 22 mm, Abstand Tiefe Bandaufnahme: 18,5 mm, Korrosionsbeständigkeit: Klasse 3
Produkteigenschaften
Richtung
links/rechts
Befestigungsart
zum Einlassen
Falzausprägung
gefälzt
Oberflächenschutz
gelb verzinkt
Material

Stahl

Umweltzeichen

EPD

Marke
SIMONSWERK

Kontaktinformation des Herstellers

SIMONSWERK GmbH
Bosfelder Weg 5
33378 Rheda-Wiedenbrück
Deutschland
Telefon: +49 5242 4130
E-Mail: info@simonswerk.de
chevron-left rechnung-logo AlertBrowse fileDownload fileFileImagePdfPdfWordTextExcelPowerpointArchiveCsvAudioVideoSpinnerCalendarSort NoneSort ASCSort DESCReturn arrowVisibleVisibleHelmetSkrewWorker