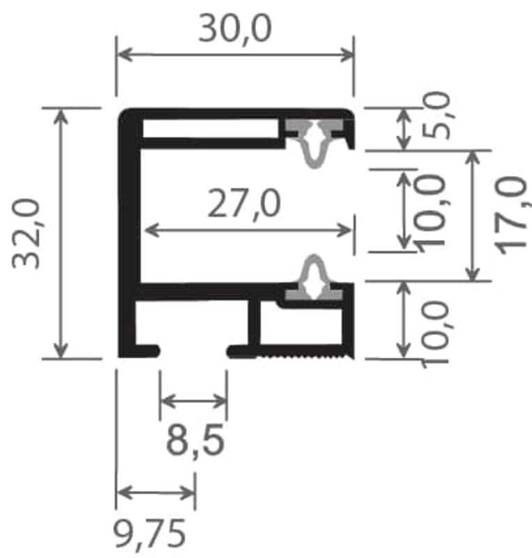
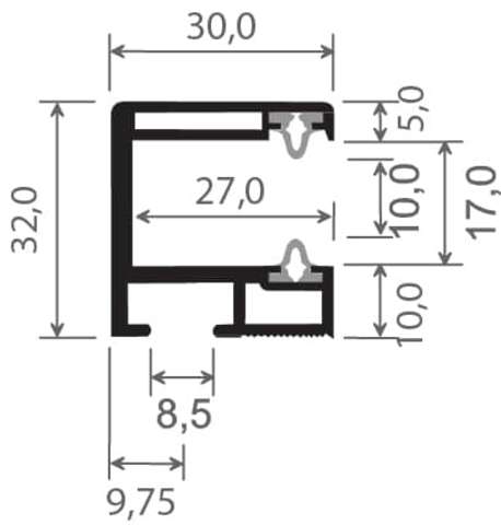
Mini-Rollladenführung 30x32 mm Lg. 6,00 m foliert, mit zwei schwarzen Weichlippen, GK Braun 205 2089-167 EICHE DUNKEL [7]
mehr erfahren
Kunststoff