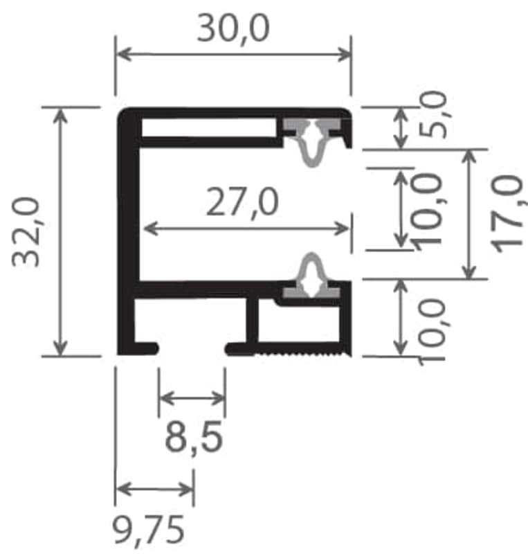
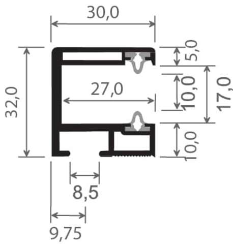
Mini-Rollladenführung 30x32 mm Lg. 6,00 m foliert, mit zwei schwarzen Weichlippen, GK Braun 217 8007-167 NUSSBAUM [14]
mehr erfahren
Kunststoff