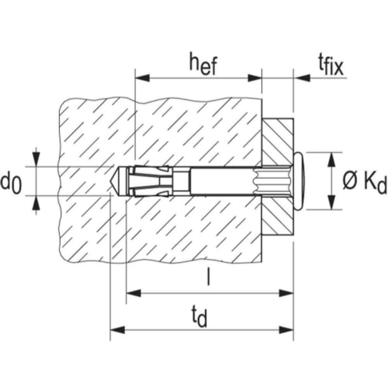
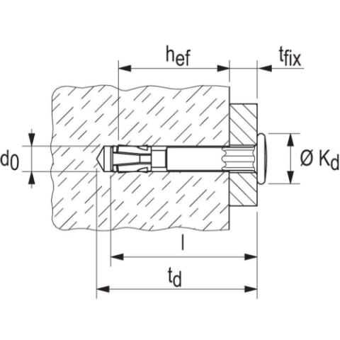
Der Fischer Nagelanker FNA II 6 mit Nagelkopf wird aus hochkorrosionsbeständigem Stahl hergestellt. Der FNA II wird mit wenigen Hammerschlägen zeitsparend in der Durchsteckmontage gesetzt. Bei Belastu
mehr erfahren
Verpackungseinheit = 50
Stahl
Beton C12/15 bis C50/60, gerissen
für die Mehrfachbefestigung von nichttragenden Systemen
Beton
Naturstein mit dichtem Gefüge
Spannbeton-Hohlplattendecken
Kalksand-Vollstein
silber