fischer Nagelanker FNA II 6 x 30/30 nicht rostender Stahl, 044123

Der fischer Nagelanker FNA II 6 mit Nagelkopf wird aus nicht rostendem Stahl hergestellt. Der FNA II wird mit wenigen Hammerschlägen zeitsparend in der Durchsteckmontage gesetzt. Bei Belastung spreizt

mehr erfahren
Meesenburg Artikelnummer: 0000317063
Meesenburg Artikelbezeichnung: NAGELANKER FNA II 6 X30/30 R 044123 VE=50
Hersteller Artikelnr.: 044123
EAN: 4006209441237
Verkaufseinheit
x
Anzahl:
=
Stück
Online Verfügbarkeit
Standort Verfügbarkeit
Verfügbarkeitsabfrage und Standortinformationen. Click & Collect ist aktuell noch nicht verfügbar.
Preise nur für Meesenburg Kunden

Produktvorteile

Das spezielle Wirkprinzip ermöglicht eine einfache Schlagmontage und damit eine kurze Verarbeitungszeit.
Die extrem kurze Verankerungstiefe verhindert Bewehrungstreffer und schafft die Voraussetzung für eine problemlose Montage.
Der optimierte Spreizclip sorgt für Halt bereits beim Einstecken ins Bohrloch und verhindert das Herausfallen bei Überkopfmontage.
Der massive Schaftquerschnitt garantiert eine hohe Tragfähigkeit im Brandfall und bietet dadurch sehr hohe Sicherheit.
Verschiedene Kopfformen ermöglichen die Befestigung unterschiedlicher Anbauteile und die optimale Anpassung an die Anwendung.
Produkteigenschaften
Produkteigenschaften

Beschreibung

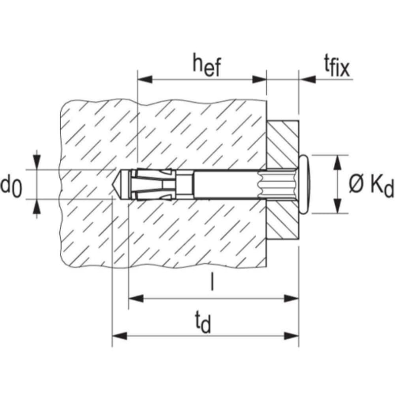
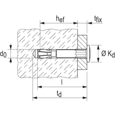
Der fischer Nagelanker FNA II 6 mit Nagelkopf wird aus nicht rostendem Stahl hergestellt. Der FNA II wird mit wenigen Hammerschlägen zeitsparend in der Durchsteckmontage gesetzt. Bei Belastung spreizt der FNA II selbstständig nach. Dabei wird der Konus in den Spreizclip gezogen und verspannt diesen gegen das Bohrloch. Der fischer Nagelanker FNA II 6 mit Nagelkopf ist vor allem für die Befestigung von Montageschienen und Unterkonstruktionen aus Holz oder Metall im Außenbereich geeignet.
Produkteigenschaften
technische Daten
Ankerlänge: 67,5 [mm] Bohrernenndurchmesser: 6 [mm] Brandschutz relevant: Ja Zul. Last Zugzone: 1,2 [kN] Material: nicht rostender Stahl Verpackungsvariante: Faltschachtel Kopf-Ø: 13,0 [mm] Max. Dicke des Anbauteils: 30 [mm] Min. Bohrlochtiefe: 70 [mm] Min. Bohrlochtiefe bei Durchsteckmontage: 70 [mm] Min. Verankerungstiefe: 30 [mm]
Zulassung

Beton C12/15 bis C50/60, gerissen

für die Mehrfachbefestigung von nichttragenden Systemen

Verankerungsgrund

Beton

Naturstein mit dichtem Gefüge

Spannbeton-Hohlplattendecken

Kalksand-Vollstein

Gewicht
828 g
Marke
fischer

Kontaktinformation des Herstellers

fischer Deutschland Vertriebs GmbH
Klaus-Fischer-Straße 1
72178 Waldachtal
Deutschland
Telefon: 49 74 43 12 60 00
Fax: +49 74 43 12 45 00
E-Mail: info@fischer.de
chevron-leftAlertBrowse fileDownload fileFileImagePdfPdfWordTextExcelPowerpointArchiveCsvAudioVideoSpinnerCalendarSort NoneSort ASCSort DESCReturn arrowVisibleVisibleHelmetSkrewWorker