+49 (0) 461 5808-2000
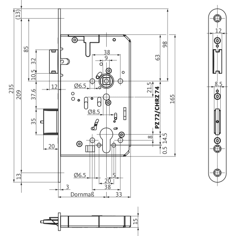
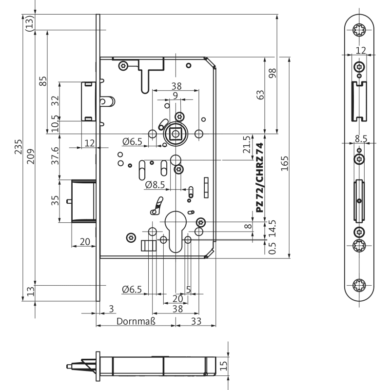
BKS Panik-Einsteckschloss B-23230; Produkttyp: Panik-Einsteckschloss; Produkttyp (Hersteller): Panikschloss; Verriegelung: manuell; Entriegelung: manuell; Drückernuss: geteilte Nuss; Stulpform: Flachs