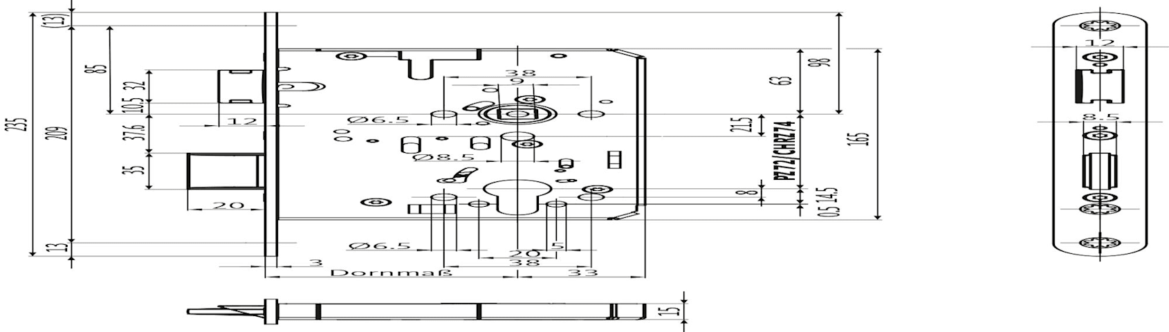
BKS PA-Einsteckschloss B-23200,CHRZ74/9,D60,F20x235rd,ER,PAF-B,DL ausw.

BKS feuerhemmend Panik-Einsteckschloss, Lochung: Rundzylinder gelocht, Dornmaß: 60 mm, Entfernung: 74, Entfernung: 74 mm, Drückernussvierkant: 9, Drückernussvierkant: 9 mm, Stulpbreite: 20 mm, Stulpau

mehr erfahren
Meesenburg Artikelnummer: 0009045344
Meesenburg Artikelbezeichnung: PANIKSCHLOSS D60-B-F20X235-ABG-CHRZ B-23200-22-L-8
Hersteller Artikelnr.: B-23200-22-L-8
EAN: 4015540869785
Verkaufseinheit
x
Anzahl:
=
Stück
Online Verfügbarkeit
Standort Verfügbarkeit
Verfügbarkeitsabfrage und Standortinformationen. Click & Collect ist aktuell noch nicht verfügbar.
Preise nur für Meesenburg Kunden
Produkteigenschaften
Anwendungsgebiete
Produkteigenschaften

Beschreibung

BKS feuerhemmend Panik-Einsteckschloss, Lochung: Rundzylinder gelocht, Dornmaß: 60 mm, Entfernung: 74, Entfernung: 74 mm, Drückernussvierkant: 9, Drückernussvierkant: 9 mm, Stulpbreite: 20 mm, Stulpausführung: rund, Stulpstärke: 3 mm, Stulpform: Flachstulp, Stulpeigenschaft: beidseitig überstehend, Modellnummer: B-2320, Wechsel: ohne Wechsel, DIN-Richtung: DIN Links, Einzelteilmaterial Stulp: edelstahl, Farbton Stulp: edelstahl, Oberfläche Stulp: Matt, Türausprägung: Türe gefälzt, Schlossriegel: 2 tourig, Funktion Anti Panik: Umschaltfunktion B, Anschlagrichtung: Links Auswärts, Funktion: Panikfunktion, Türart: Feuerschutztür, Rauchschutztür, Paniktür, Fluchtwegtür, Türflügelanzahl: einflügelig, Einzelteilmaterial Falle: stahl, Fallenausschluss: 12 mm, Falleneigenschaft: mit Standardfalle, Einzelteilmaterial Riegel: Zinkdruckguss, Riegeleigenschaft: standard, Riegelausschluss: 20 mm, Drückernuss: einteilig, Einzelteilmaterial Drückernuss: stahl, Schlosskasten: geschlossen, Einzelteilmaterial Schlosskasten: stahl, Oberfläche Schlosskasten: verzinkt, Schlosskastenlänge: 165 mm, Schlosskastenbreite: 90 mm, Schlosskastenstärke: 15 mm, Norm: DIN 18250, DIN EN 179, DIN EN 1125, DIN EN 1125, DIN EN 179, Türwerkstoff: Holz, stahl
Produkteigenschaften
Entfernung
74 mm
Richtung
links
Lochung
Schweizer Rundzylinder
Panikfunktion
Umschaltfunktion B
Stulpform
Flachstulp
Stulpoberfläche
matt
Drückernuss Vierkant
9 mm
Stulpmaterial
Edelstahl
Dornmaß
60 mm
Stulpbreite
20 mm
Riegelausschluss (Maß)
20 mm
Hinterdornmaß
60 mm
Stulpstärke
3 mm
Schlosskastenbreite
90 mm
Einbautiefe
90 mm
Schlosskastenhöhe
165 mm
Schlosskastentiefe
165 mm
Marke
BKS
Anwendungsgebiete
Anwendungsgebiete

Kontaktinformation des Herstellers

BKS GmbH
Heidestraße 71
42549 Velbert
Deutschland
Tel.: +4920512010
Fax: +492051201431
E-Mail: info@bks.de
chevron-leftAlertBrowse fileDownload fileFileImagePdfPdfWordTextExcelPowerpointArchiveCsvAudioVideoSpinnerCalendarSort NoneSort ASCSort DESCReturn arrowVisibleVisibleHelmetSkrewWorker