+49 (0) 461 5808-2000
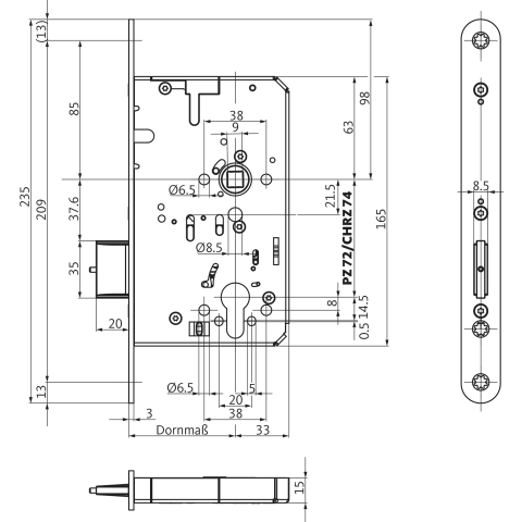
BKS Panik-Riegelschloss B-23490; Produkttyp: Panik-Riegelschloss; Produkttyp (Hersteller): Panik-Riegelschloss; Drückernuss: einteilig; Stulpform: Flachstulp; Material Stulp: Edelstahl; Funktion Anti