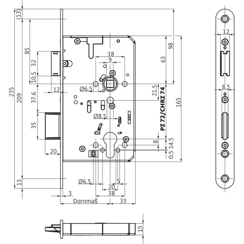
BKS PA-Einsteckschloss B-23260,PZW72/9,D65,F24x235rd,ER,PAF-E ausw.,SÜOK

BKS Panik-Einsteckschloss B-23260; Produkttyp: Panik-Einsteckschloss; Produkttyp (Hersteller): Panikschloss; Ausführung: mechanisch; Verriegelung: manuell; Entriegelung: manuell; Drückernuss: einteili

mehr erfahren
Meesenburg Artikelnummer: 0009045383
Meesenburg Artikelbezeichnung: PANIKSCHLOSS D65-E-F24X235-ABG-PZ-SÜOK B-23260-32-L-8
Hersteller Artikelnr.: B-23260-32-L-8
EAN: 4015540874031
Verkaufseinheit
x
Anzahl:
=
Stück
Online Verfügbarkeit
Standort Verfügbarkeit
Verfügbarkeitsabfrage und Standortinformationen. Click & Collect ist aktuell noch nicht verfügbar.
Preise nur für Meesenburg Kunden
Produkteigenschaften
Anwendungsgebiete
Produkteigenschaften

Beschreibung

BKS Panik-Einsteckschloss B-23260; Produkttyp: Panik-Einsteckschloss; Produkttyp (Hersteller): Panikschloss; Ausführung: mechanisch; Verriegelung: manuell; Entriegelung: manuell; Drückernuss: einteilig; Stulpform: Flachstulp; Material Stulp: Edelstahl; Funktion Anti Panik: Wechselfunktion E; Schlosskasten: geschlossen; Schlosskastenhöhe: 165 mm; Schlosskastenstärke: 15 mm; Norm: DIN EN 1125,DIN EN 12209,DIN EN 179; Zulassung: für Feuerschutz,für Fluchttüren,für Rauchschutz; Türart: Vollblatt; Türflügelanzahl: einflügelig; Türwerkstoff: Holz,Stahl; Einsatzbereich: Gangflügel; Dornmaß: 65 mm; Hinterdornmaß: 33 mm; Drückernussvierkant: 9 mm; Entfernung: 72 mm; Lochung: Profilzylinder gelocht; DIN-Richtung: DIN Links; Öffnungsrichtung: nach außen öffnend; Stulpausführung: rund; Stulpbreite: 24 mm; Stulplänge: 235 mm; Stulpstärke: 3 mm; Farbton Stulp: edelstahl; Oberfläche Stulp: matt; Zusatzfunktion-/Ausstattung: Überwachungsfunktion; Schlossriegel: 1 tourig; Riegelausschluss: 20 mm; Einbautiefe Schlosskasten: 95 mm; Wechsel: mit Wechsel; Zusatzinformation: ohne Kabel
Produkteigenschaften
Entfernung
72 mm
Richtung
links
Lochung
Profilzylinder
Panikfunktion
Wechselfunktion E
Stulpoberfläche
matt
Drückernuss Vierkant
9 mm
Stulpmaterial
Edelstahl
Dornmaß
65 mm
Stulpbreite
24 mm
Riegelausschluss (Maß)
20 mm
Hinterdornmaß
65 mm
Stulpstärke
3 mm
Schlosskastenbreite
95 mm
Einbautiefe
95 mm
Schlosskastenhöhe
165 mm
Schlosskastentiefe
165 mm
Marke
BKS
Anwendungsgebiete
Anwendungsgebiete

Kontaktinformation des Herstellers

BKS GmbH
Heidestraße 71
42549 Velbert
Deutschland
Tel.: +4920512010
Fax: +492051201431
E-Mail: info@bks.de
chevron-leftAlertBrowse fileDownload fileFileImagePdfPdfWordTextExcelPowerpointArchiveCsvAudioVideoSpinnerCalendarSort NoneSort ASCSort DESCReturn arrowVisibleVisibleHelmetSkrewWorker