+49 (0) 461 5808-2000
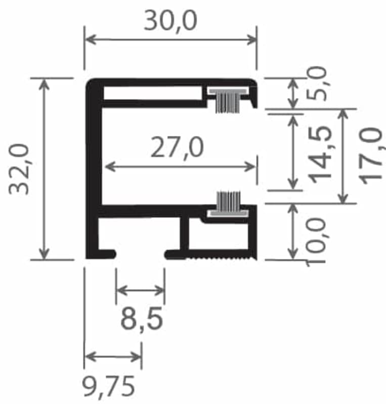
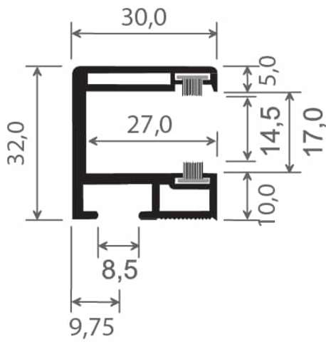
Rollladenführung 30x32 mm Lg. 6,00 m foliert, mit zwei schwarzen Bürsten GK Weiß 02.20.91.000001 WEIß ULTI MATT [175]