+49 (0) 461 5808-2000
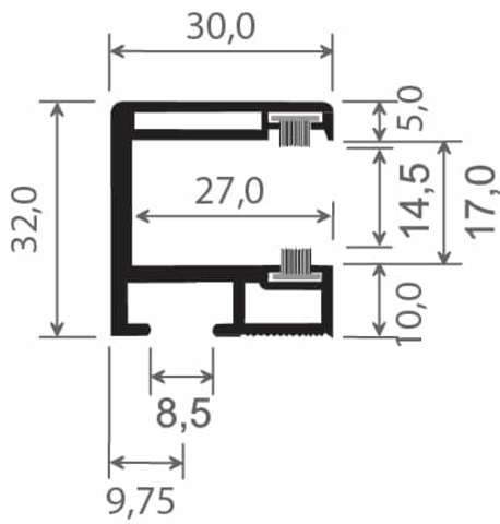
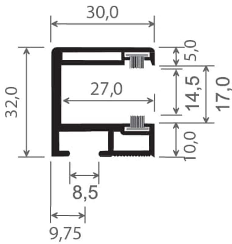
Rollladenführung 30x32 mm Lg. 6,00 m foliert, mit zwei schwarzen Bürsten GK Braun 324 1002-195 ANTEAK [40]