+49 (0) 461 5808-2000
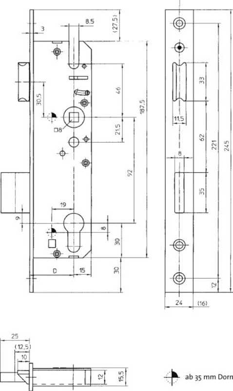
35-BUENDIG-24-KTG. NIROSTA MATT GEB. U-STULP 6 X 24 X 6 MM MIT 2 MM ABGESETZTER FALLE ENDKAPPEN SG