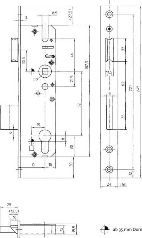
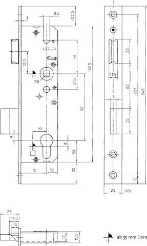
35-BUENDIG-24-KTG. NIROSTA MATT GEB. MIT 10 MM NUSS
mehr erfahren
Rohrrahmentür