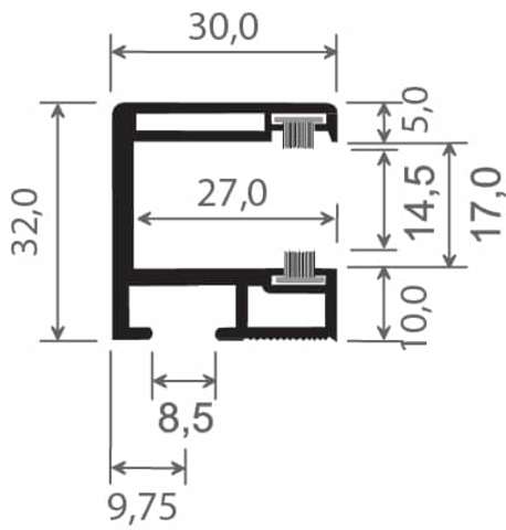
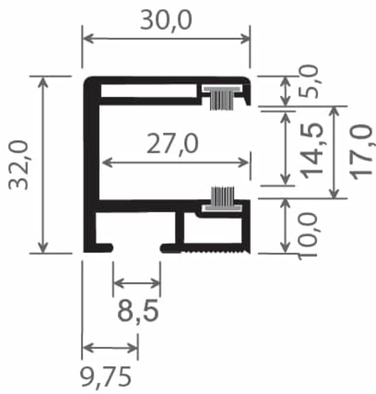
Rollladenführung 30x32 mm Lg. 6,00 m foliert, mit zwei schwarzen Bürsten GK Braun 214 0006-167 MOOREICHE [12]
mehr erfahren
Kunststoff