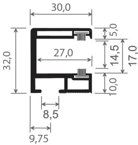
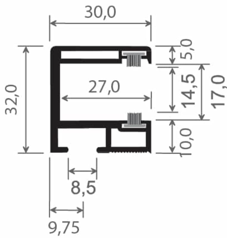
Rollladenführung 30x32 mm Lg. 6,00 m foliert, mit zwei schwarzen Bürsten GK Grau 70 0405-083 SIGNALGRAU GLATT [50]
mehr erfahren
Kunststoff