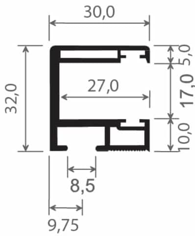
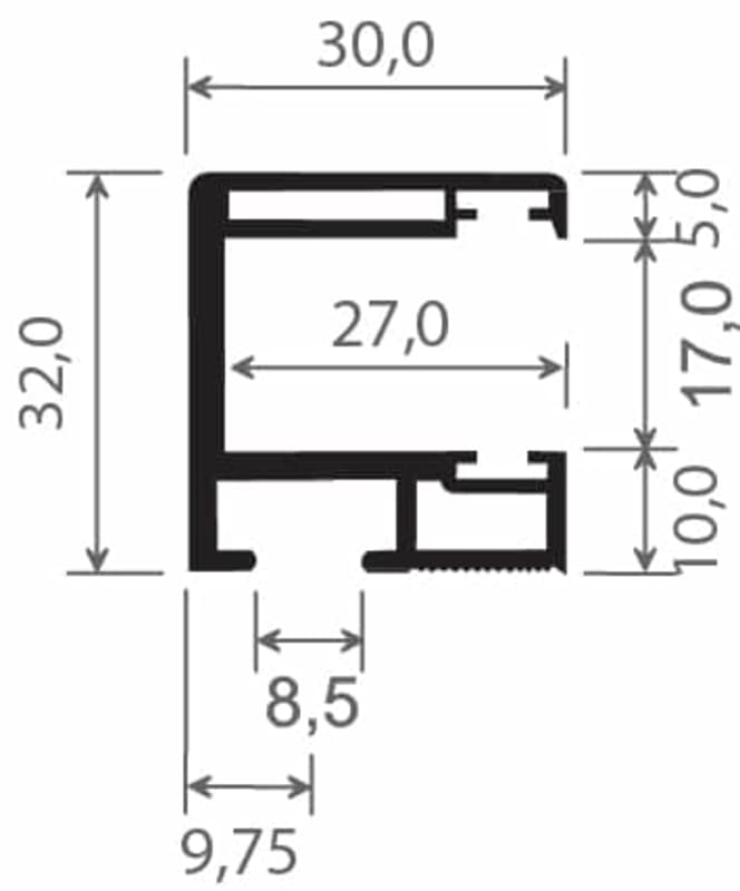
Rollladenführung 30x32 mm Lg. 6,00 m foliert, GK Braun, ohne Bürste 436 3059 WALNUSS TERRA [111]
mehr erfahren
Kunststoff