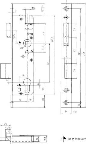
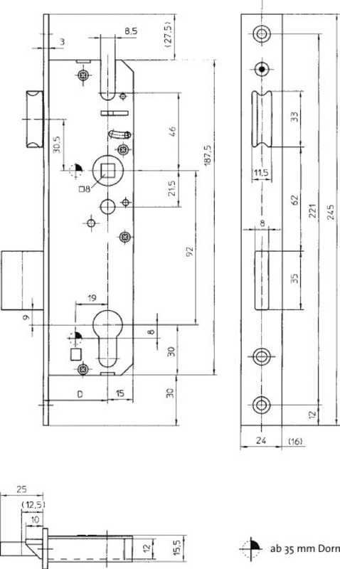
45-BUENDIG-24-KTG. NIROSTA MATT GEB.
mehr erfahren
Rohrrahmentür