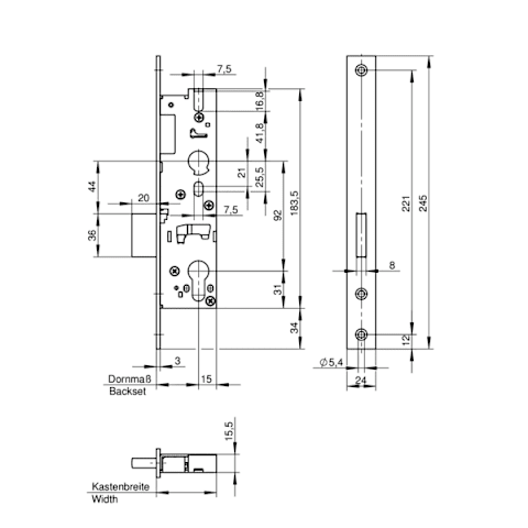
RR-RIEGELSCHL. 30 24X3X245 KT. 20MM RIEGELAUSS.,EN 12209 138R.000002

Einsteck-Riegelschloss für Rohrrahmentüren

mehr erfahren
Meesenburg Artikelnummer: 0009030939
Meesenburg Artikelbezeichnung: RR-RIEGELSCHL. 30 24X3X245 KT. 20MM RIEGELAUSS.,EN 12209 138R.000002
Hersteller Artikelnr.: 138R.000002
EAN: 4017813118668
Verkaufseinheit
x
Anzahl:
=
Stück
Online Verfügbarkeit
Standort Verfügbarkeit
Verfügbarkeitsabfrage und Standortinformationen. Click & Collect ist aktuell noch nicht verfügbar.
Preise nur für Meesenburg Kunden
Produkteigenschaften
Downloads
Produkteigenschaften

Beschreibung

Einsteck-Riegelschloss für Rohrrahmentüren

Produkteigenschaften
technische Daten
  • DIN Richtung DL / DR
  • Dornmaß 25, 30, 35, 40, 45 mm
  • Entfernung 92 mm
  • Flachstulp (Standardausführung) 24 x 3 mm
  • Hinterdornmaß 15 mm
  • Hinweis U-Stulp Alle U-Stulpen werden mit Endkappen geliefert, Bei U-Stulpen ändert sich das Dornmaß um -1 mm
  • Kastenbreite Dornmaß + 15 mm
  • Kastenhöhe 183,5 mm
  • Kastenmaterial Stahl verzinkt
  • Kastentiefe 15,5 mm
  • Richtungsangabe erforderlich Ja
  • Riegelart Standard
  • Riegelausschluss 20 mm
  • Riegeltour 1-tourig
  • Stulplängen 245 mm
  • Stulpmaterial Edelstahl rostfrei / Eisen verzinkt
  • U-Stulp (Standardausführung) 24 x 6 mm
  • Zylinderlochung Profilzylinder / Schweizer Rundzylinder
  • Serie 138R
Produkteigenschaften
  • DIN Richtung: DL / DR
  • Entfernung: 92 mm
  • Riegelausschluss: 20 mm
  • Riegeltour: 1-tourig
  • Verwendung: Rohrrahmentüren aus Aluminium und Stahl
Entfernung
92 mm
Richtung
links/rechts
Stulpform
U-Stulp
Umweltzeichen

EPD

Dornmaß
30 mm
Stulpbreite
24 mm
Stulpstärke
3 mm
Stulplänge
245 mm
Marke
WILKA
Downloads
Downloads

Kontaktinformation des Herstellers

WILKA Schließtechnik GmbH
Mettmanner Str. 58 – 64
42549 Velbert
deutschland
Tel:+ 49 205120810
E-Mail: info@wilka.de
chevron-leftAlertBrowse fileDownload fileFileImagePdfPdfWordTextExcelPowerpointArchiveCsvAudioVideoSpinnerCalendarSort NoneSort ASCSort DESCReturn arrowVisibleVisibleHelmetSkrewWorker