+49 (0) 461 5808-2000
Versand zum Jahreswechsel: Letzter Versandtag am 19.12.2025, erster Versandtag am 05.01.2026. Mehr erfahren!
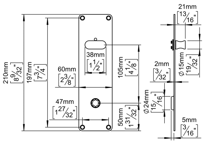
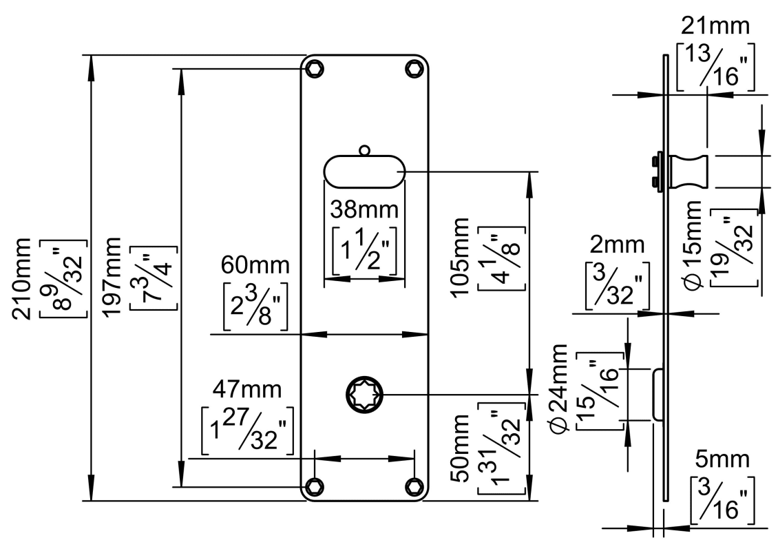
Knud Holscher Kollektion, Rückenplatte VE5V90, 210x60x2mm,x=105mm. Hergestellt aus hochwertigem, rostfreiem Edelstahl AISI 316, der vor starker Korrosion schützt. 20 Jahre Garantie.